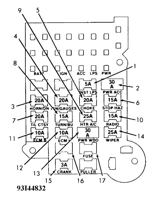
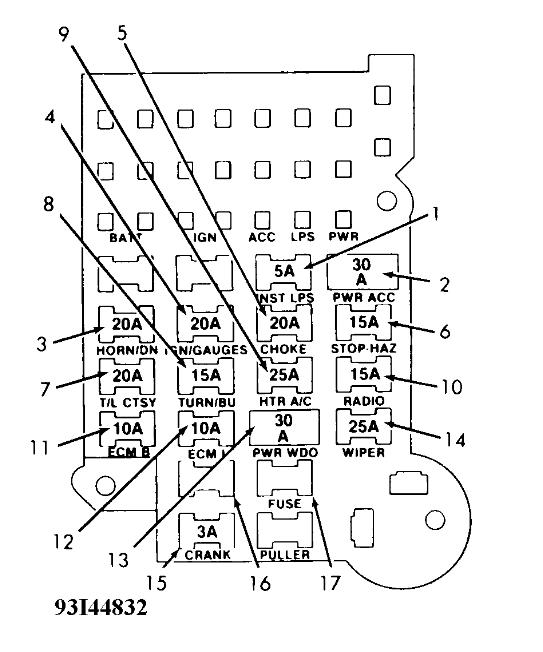
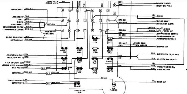
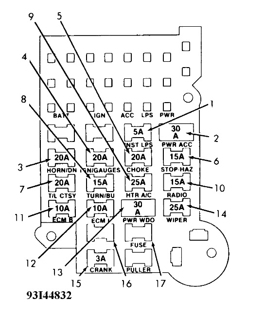
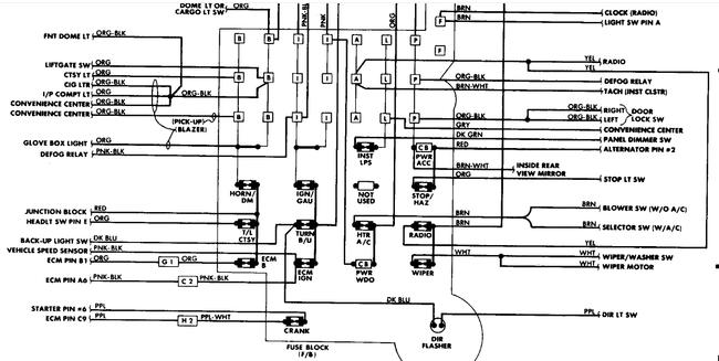
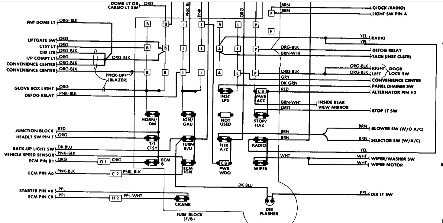
I am trying to find a diagram of the fuse box panel where it shows the fuses and the upper portion of the box any ideas? I have some disconnected wires that I'm having trouble locating where they belong.
Nov 4, 2013 at 2:57 PM

