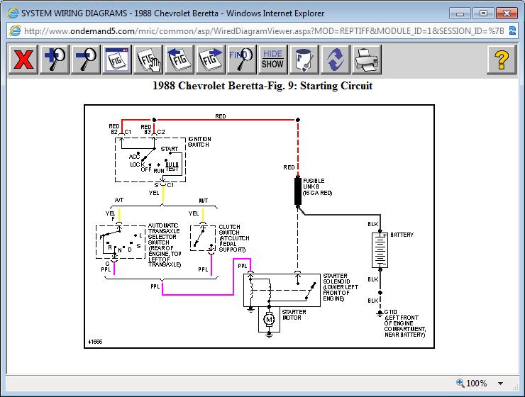
The motor in this car is a 2.8l v6, im having an issue with the starter and that is that it has 4 wires running to the starter, 3 wires are 8-10 gauge wirrs and theyll only fit around the big terminal on the starter, then i have 1 small wire thats a 14-16 gauge wire and itll only fit around 1 of the 2 smaller terminals, i tried having all 3 wires hooked up to the big terminal then the smaller one on both terminals (s&r) i put it on one of the 2 terminals and it starts but will not turn off, then i hook it up to the other terminal and it doesnt even turn over? i have a book for the car and it says 1 wire goes to s and 1 goes to r but i cant do that with the bigger wire hooks, what do i need to do and how is it suppose to be assembled, ive took this starter apart over 9 times, replaced 2 starters and now im confused. help?
May 24, 2012 at 2:58 PM
