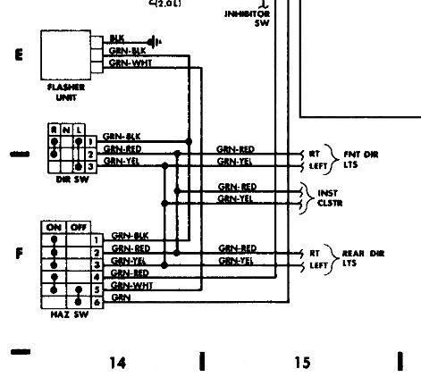
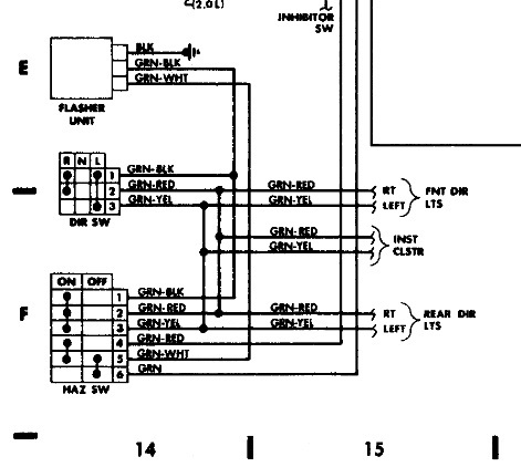
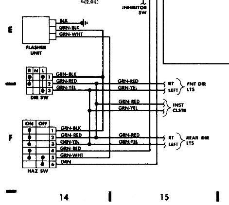
neither L or R turn signals work. They are on the same switch as headlights which do work. Is there a seperate relay for the turn signals? The fuse is good.
May 23, 2015 at 1:01 PM
