I'M NOT MUCH HELP ON YOUR TRUCK
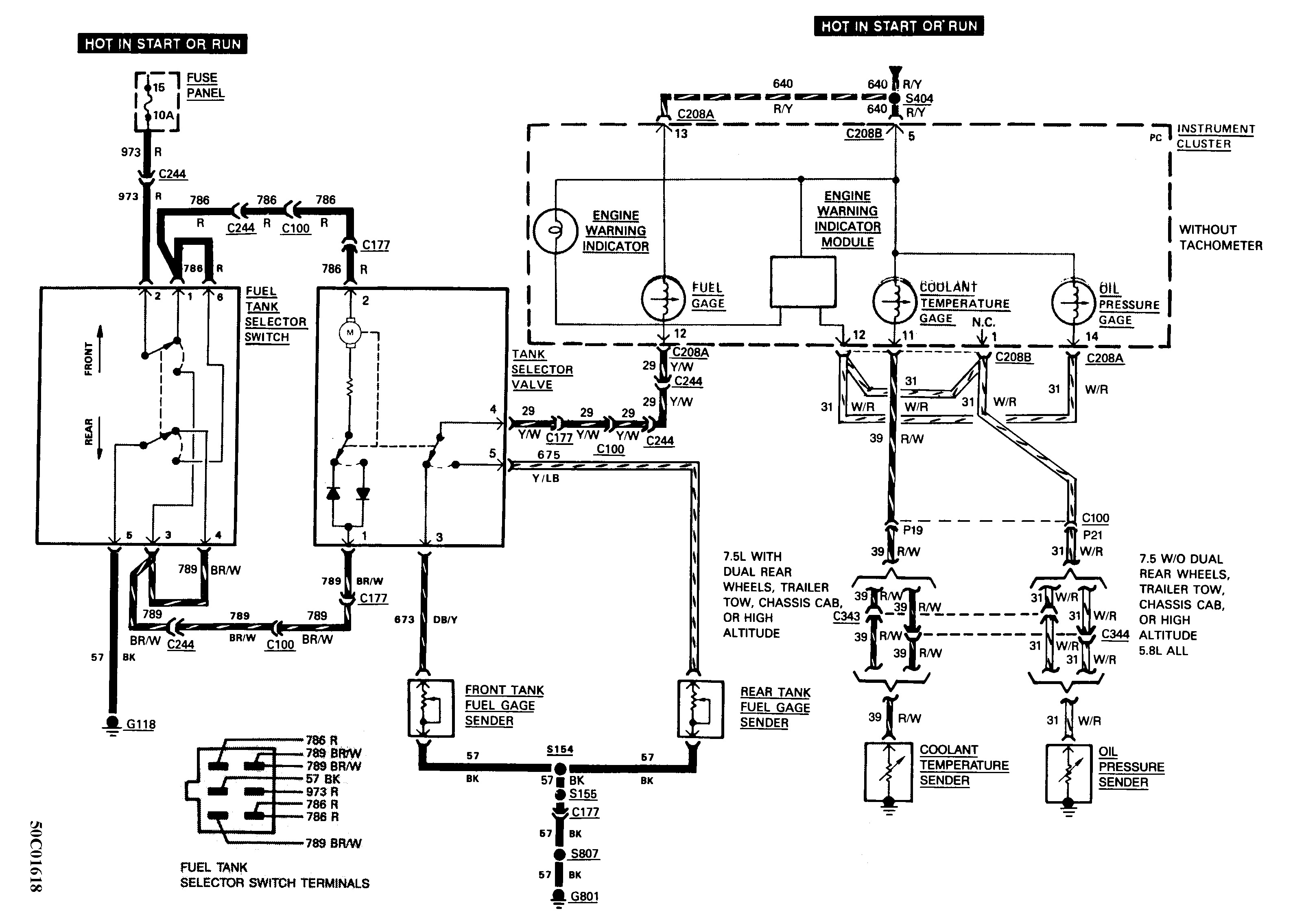
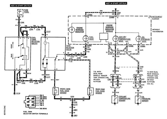
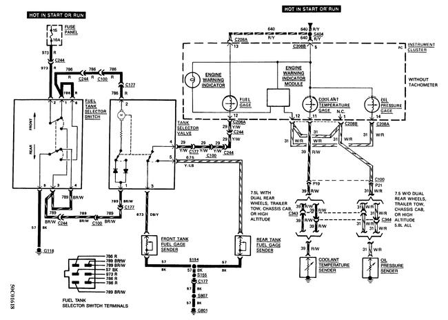
I WAS ABLE TO GO INTO "PRODEMAND" AND FIND YOU A WIRING DIAGRAM FOR "DUAL TANKS". I INSERTED ALL OF YOUR INFO THAT YOU PROVIDED TO GET THIS INFO. I DID FIND THAT "6.7L" WAS NOT AN OPTION, HOWEVER "6.9L" WAS. THAT'S WHAT I WENT WITH.
HOPEFULLY, YOU CAN VERIFY THIS IS THE CORRECT DIAGRAM BY COMPARING FUSES AND OTHER STUFF.
I HAVE THIS DIAGRAM SAVED IN MY PICS (FOR A WEEK OR SO) SHOULD YOU NOT BE ABLE TO SEE IT WELL, LET ME KNOW AND YOU AND I CAN FIGGER OUT HOW TO GET IT TO YOU.
THIS MAY WORK FOR YOU
RIGHT CLICK ON THE LITTLE PIC AS IT COMES UP (NOT AFTER YOU CLICK ON IT TO MAKE IT BIGGER)
CHOOSE/ LEFT CLICK "OPEN LINK IN INCOGNITO WINDOW" OUT OF THE CHOICES
THE WINDOW SHOULD POP UP W/ THE PIC, NOW AT FULL SIZE
GET ON TOP OF IT AND RIGHT CLICK
CHOOSE/ LEFT CLICK "SAVE IMAGE AS"
ANOTHER BOX WILL POP UP
AT THE TOP- I CHOOSE "MY PICTURES" (OR ANOTHER DESTINATION, IF WANTED, JUST STICK W/ MY PICTURES!)
AT THE BOTTOM NAME THE PIC WITH IT'S OWN UNIQUE NAME OR NUMBER (LIKE CJ MED101, CJ MED102, ETC) THEN LEFT CLICK "SAVE"
THE PIC IS NOW YOURS (SAVED IN "MY PICTURES" ON YOUR COMPUTER)
DEPENDING ON YOUR COMPUTER, YOU CAN "EDIT" THE PIC (DARKEN, BRIGHTEN, CROP, ETC) MAKE IT BIGGER, SMALLER, FLIP, ENLARGE, PRINT, ETC
MAYBE YOU ARE SMARTER THAN ME, JUST TRYING TO HELP!
LEMME KNOW IF THIS HELPS
THE MEDIC
Images (Click to enlarge)
Apr 17, 2015 at 7:45 PM