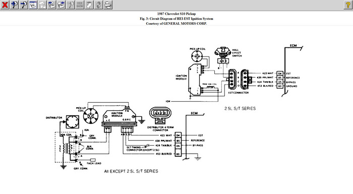
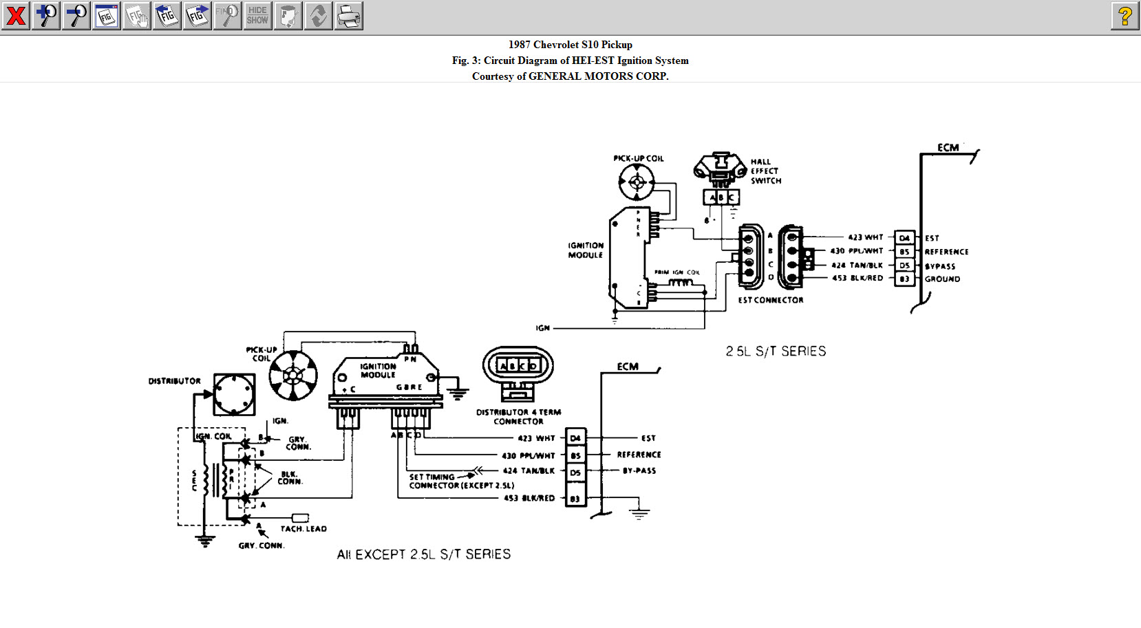
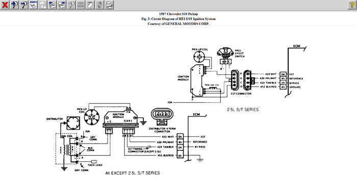
I have a 87 chevy s-10 with the 4-tech 2.5 engine I have spark but no injector pulse I have changed the hall effect switch, ignition module and ecm to no avail, I have also checked my wires going from injector to the ecm and all checked out. Also I have power at injector and plenty of fuel pressure. the only problem I have found is I dont have 10 volts at the p term on the module, but as far as i know that should just not get spark but i am. at this point I am getting frustrated the only thing I can think left to check is for a tach signal getting to the ecm can any one tell me which wire i am looking for and what I should be getting when i check? PLEASE SOMBODY HELP ME!!!!
Mar 8, 2011 at 11:06 PM




