bmw 325i a/c problem

1987 BMW 325I
180,000 MILES • 6 CYL • 2WD • AUTOMATIC
Avatar
BWTRUCK
  • MEMBER
  • 2 POSTS
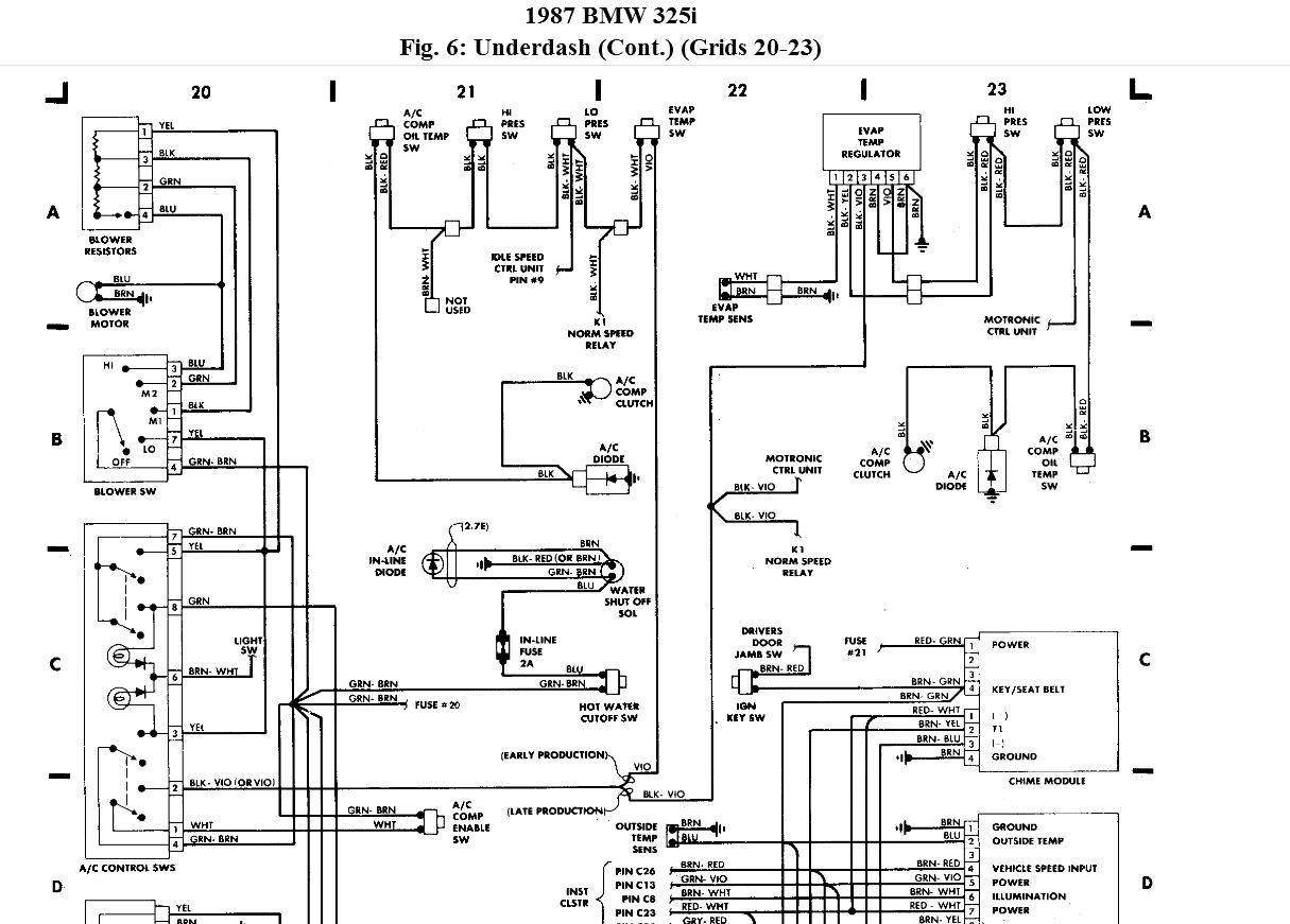
my 87 bmw 325i a/c wont come on I serviced the freon all swicthes work but no power going to swicth in dash on the compressor side traced problem to evap swicth no power to swicth from computer above glove box viloet w/black trace am i missing something?

thanks Randy
Jul 17, 2011 at 1:33 AM
Advertisement
Avatar
RIVERMIKERAT
  • CERTIFIED EXPERT
  • 6,110 POSTS
Check the AC fuses and relays. Left rear of the engine compartment. There's also one next to the evaporator unit. There's also a fuse behind the A/C control panel. Also check the A/C enable switch behind the control panel. There are also two switches on top of the receiver/dryer, right behind the headlights.
Jul 17, 2011 at 2:20 AM
Avatar
KHLOW2008
  • CERTIFIED EXPERT
  • 41,814 POSTS
The Black/Voilet wire receives it power from the White wire of the A/C enable switch via the A/C control switch.

At the A/C enable switch, do you have battery voltage at Green/Brown wire?
If yes and the white wire coming out of it have battery voltage, the A/C control switch is faulty.
Jul 17, 2011 at 2:29 AM
Advertisement
Avatar
BWTRUCK
  • MEMBER
  • 2 POSTS
I have traced the problem to the compressor enable swicth no power to white wire at a/c swicth in dash where is comp. enable swicth
Jul 17, 2011 at 11:16 PM
Avatar
KHLOW2008
  • CERTIFIED EXPERT
  • 41,814 POSTS
That is the switch you push to enable the compressor. It should look like a ring made up of crystals if it is not labelled A/C.

Jul 18, 2011 at 1:11 PM
Avatar
KHLOW2008
  • CERTIFIED EXPERT
  • 41,814 POSTS
Should be item # 15 in diagram.
Jul 18, 2011 at 1:13 PM