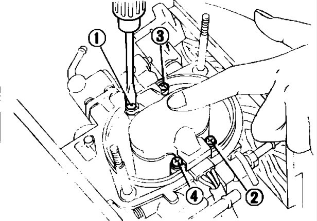
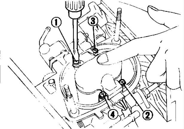
does anyone know what the screw on top of the injectors is for i cant find it in my books ..ive pull the injectors and blew them with air and flushed them and blew them again and they look clean but i need to know about the screw ,is it like an air /fuel mixture screw and how do i adjust it ? when i took the injectors out the screws were about half way in , do i tighten them down and could that be the reason im smoking so bad too much fuel cause they wernt in all the way
Jun 2, 2011 at 1:47 PM
