1986 NISSAN HARDBODY
17,000 MILES
Avatar
ANONYMOUS
  • MEMBER
  • 1 POST
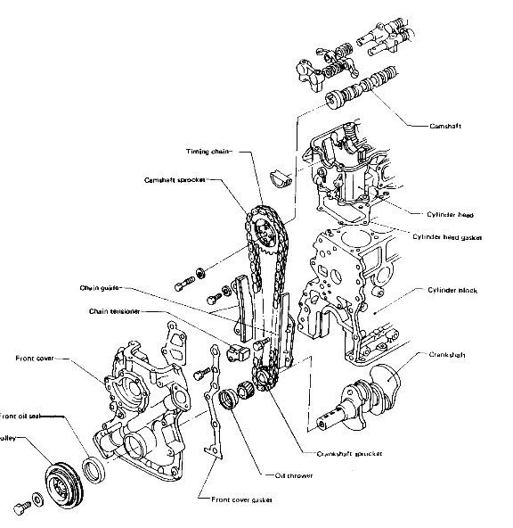
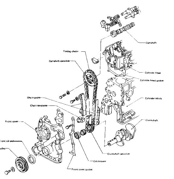
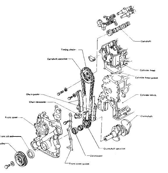
Need to change timing belt six cylinder 5 speed
Jan 13, 2013 at 8:30 AM
Advertisement
Avatar
DRCRANKNWRENCH1
  • CERTIFIED EXPERT
  • 3,435 POSTS
Attahched are instructions and referenced FIGs.
Jan 13, 2013 at 8:42 AM