1986 JEEP COMANCHE
214 MILES
Avatar
ANONYMOUS
  • MEMBER
  • 1 POST
we have a 86 Jeep Comanche with a 2.8l engine and a 5 speed MANUAL transmission. the previous owner said it failed inspection because of a nonworking Neutral safety switch, I know those are only on automatic transmissions but the truck WILL start in gear without the clutch being pressed, Did this truck come with a safety switch in 86? If it did where is it, there's nothing on the transmission except the spedo cable reverse light switch and a shifter, if it doesn't come with one where can I find official documentation on the subject?
Apr 11, 2013 at 12:37 AM
Advertisement
Avatar
CJ MEDEVAC
  • CERTIFIED EXPERT
  • 11,004 POSTS

IMMA CJ KINDA GUY.....I DON'T KNOW YOURS WELL

THIS DEALEE HERE (LINK BELOW), AS A POSSIBILITY, LOOKS LIKE IT "MIGHT WOULD" SCREW INTO MY 1977 CJ 5s T-150 TRANSMISSION SHIFT TOWER....THE BACK-UP LIGHT "WELL" OR "HOLE"

MY SHIFT TOWER HAS 2 SHIFT RAILS 1ST AND REV......2ND AND 3RD. AS THE STICK (H PATTERN) GOES FORWARD AND LEFT.....THAT SHIFT RAIL MOVES REARWARD AND PUSHES THE "STEEL BALL" UP IN MY BACK-UP LIGHT SWITCH

LOOKS LIKE IT WOULD DO THE SAME IN THIS ONE

searchTerm=neutral+safety+switch

I PUT IN YOUR VEHICLE INFO TO FIND THIS......THERE WERE SEVERAL OF DIFFERENT MANUFACTURERS.........IN THE SPECS, SOME SAY "AUTOMATIC" SOME SAY "STANDARD
SO.........WITH MY CRUDE INVESTIGATION, LOOKS LIKE IT DOES HAVE A NEUTRAL SAFETY SWITCH.........

MAYBE THE WIRE CAME OFF----MAYBE SOMEONE "BYPASSED THE SWITCH" BY CUTTING THE WIRES OFF AND SPLICING THEM TOGETHER..............OR ANOTHER WIRING ISSUE ELSEWHERE

I'M GONNA SEND YOU A PIC OF "MY" BACK-UP LIGHT SWITCH ON MY '77 CJ 5.............JUST TO GIVE YOU A VAGUE IDEA ON WHAT YOURS MIGHT BE LIKE

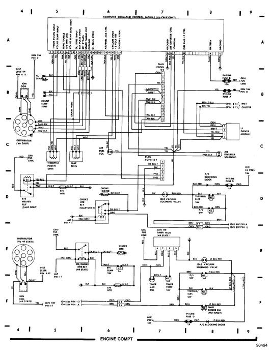
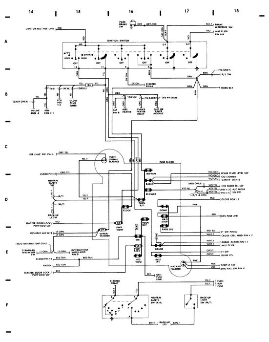
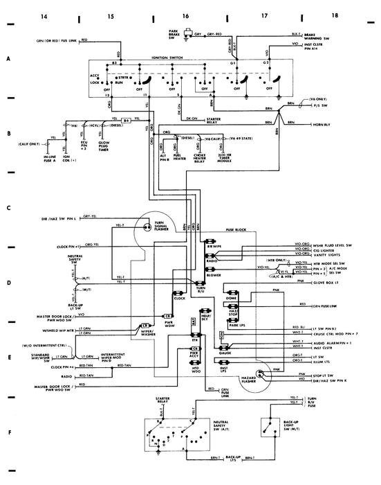
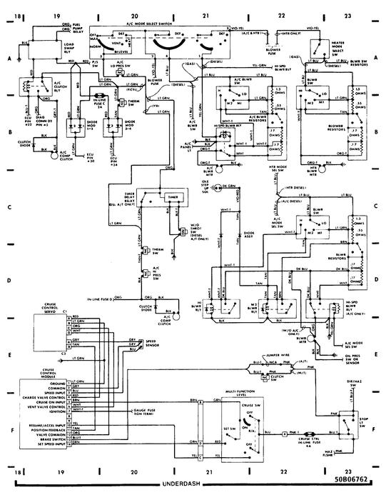
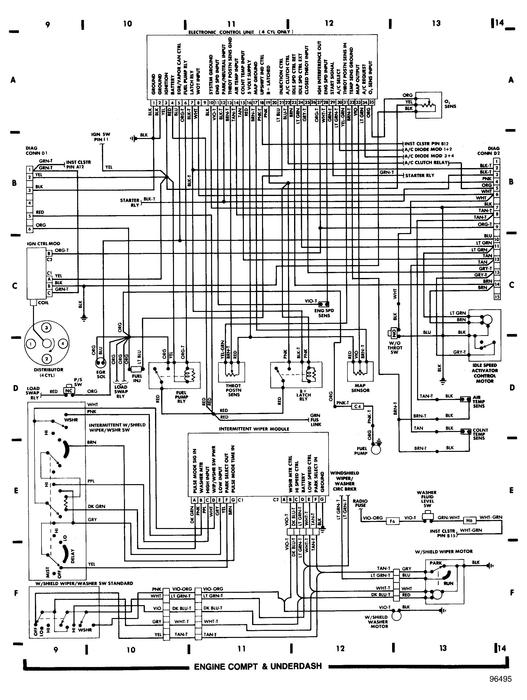
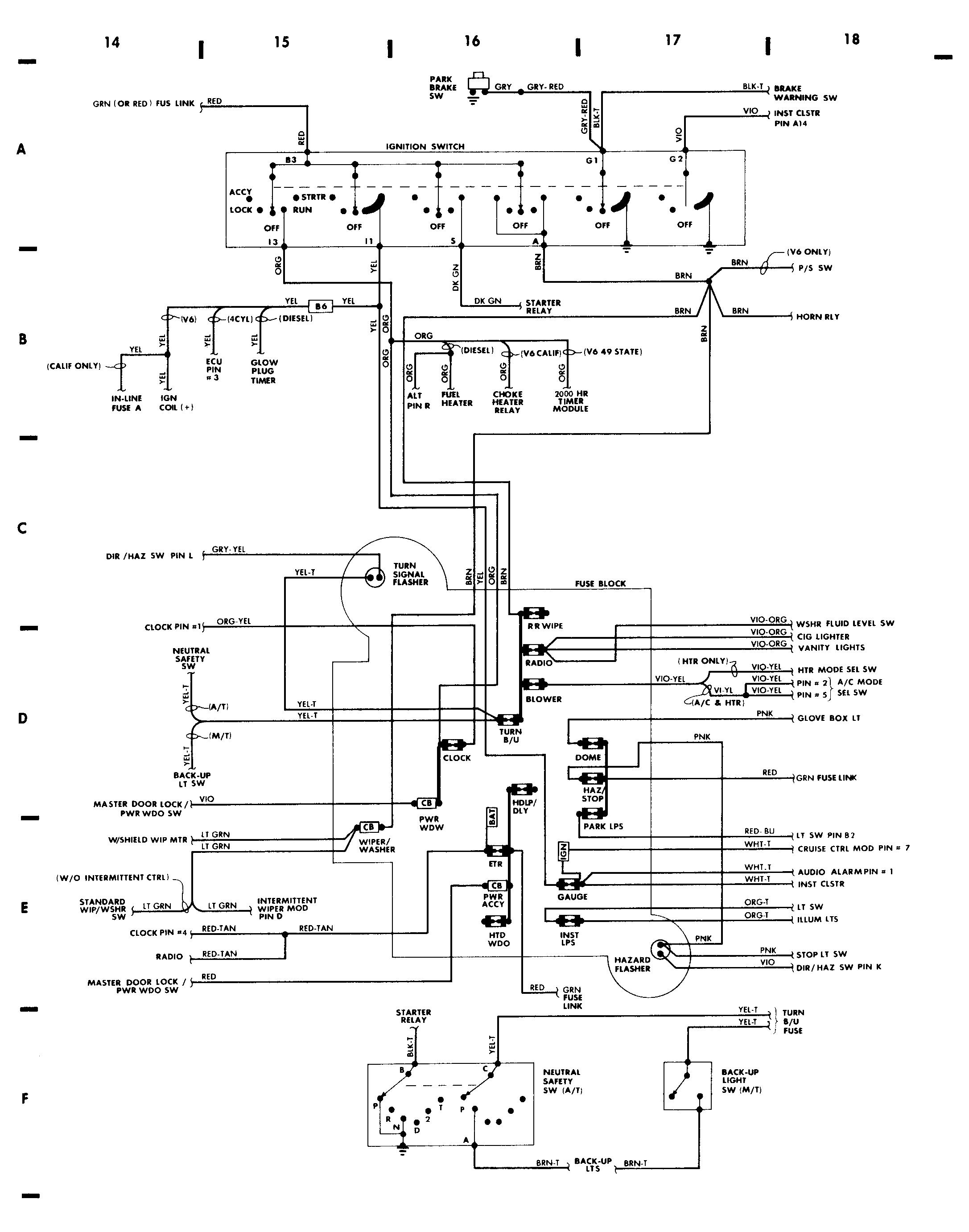
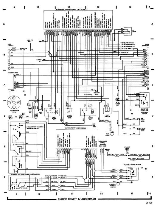
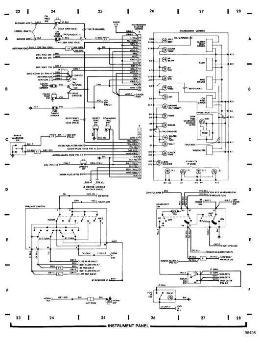
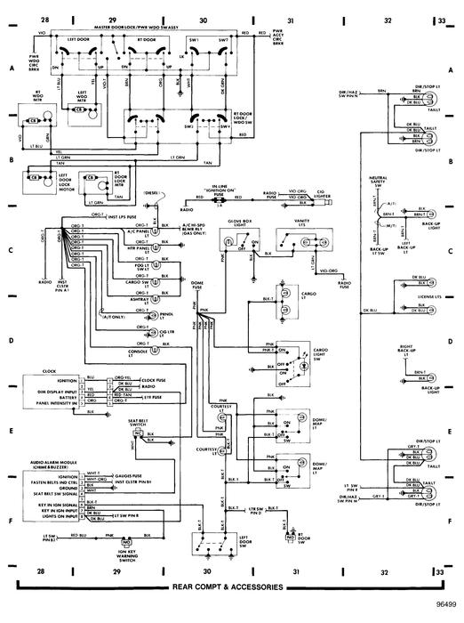
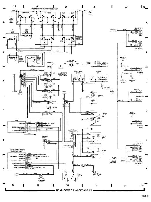
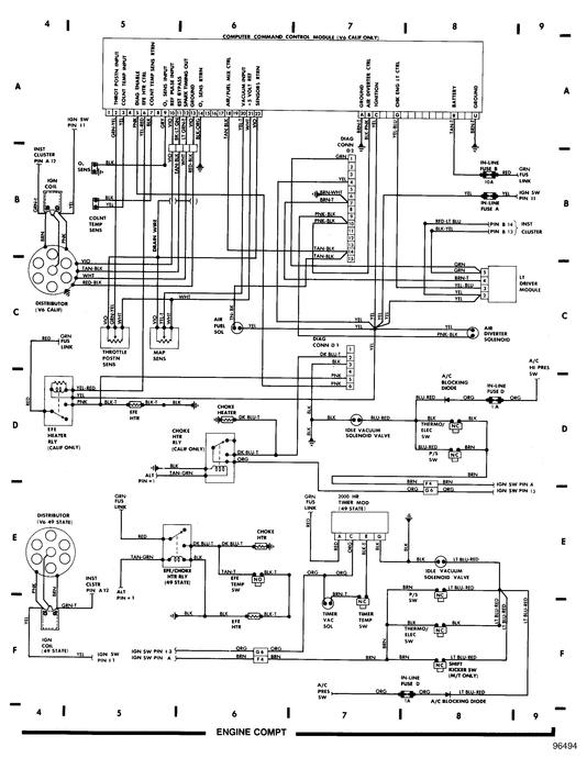
I ALSO WENT INTO "MITCHELL I" AND DOWNLOADED 7 WIRING DIAGRAMS FOR YOUR RIGON THE 4TH DIAGRAM AT LOCATIONS "F-16" AND "F-17" THE NEUTRAL SAFETY IS SHOWN (FOR AN AUTOMATIC) JUST TO THE RIGHT OF IT IS THE BACKUP LIGHT SWITCH (FOR A MANUAL TRANNY)

I WILL POST ALL SEVEN---LOOK AT #4----IF YOU CANNOT SEE THEM WELL...TELL ME.......I HAVE WAYS!

KEEP ME POSTED, I CAN "TRY" TO AID YOU MORE

THE MEDIC

Apr 11, 2013 at 3:32 AM
Avatar
CJ MEDEVAC
  • CERTIFIED EXPERT
  • 11,004 POSTS
3RD ATTEMPT---TOO MUCH STUFF 1ST 2 TIMES FOR ONE POSTING---HERE'S THE DIAGRAMS

THE MEDIC
Apr 11, 2013 at 3:45 AM
Advertisement