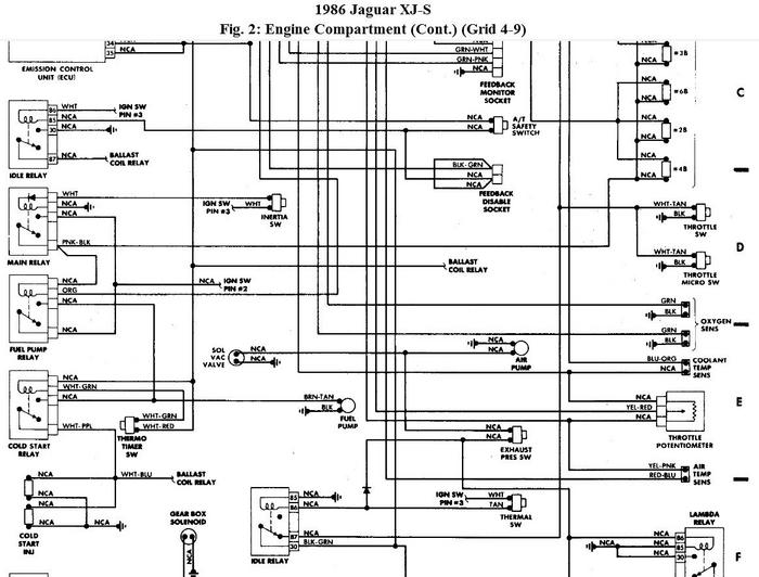
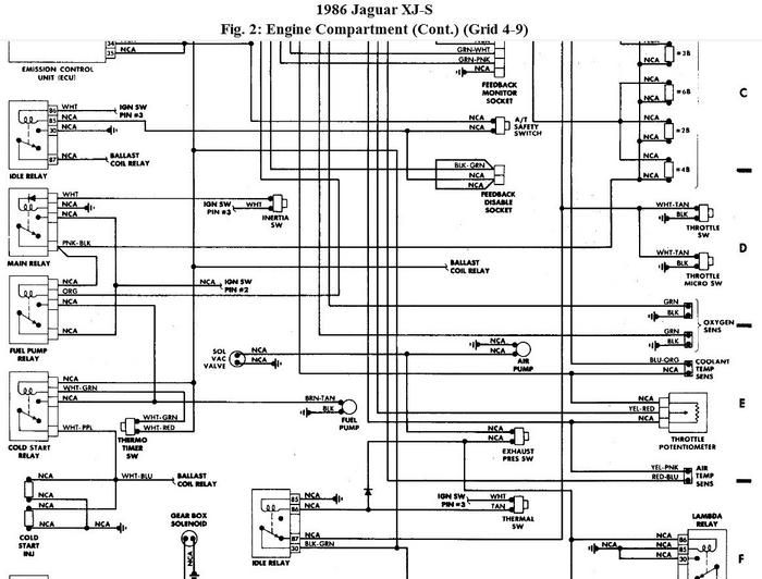
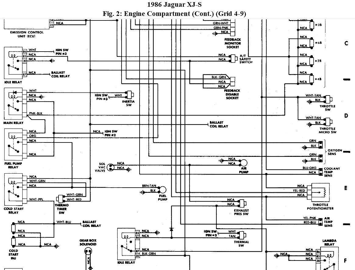
As per request to check spark at plugs all is ok ,checked voltage on injectors 1a 2a 3a 4a 5a 6a show volatge 2a3a4a5a6a show no voltage any help would be a big help thanks jack .
Aug 18, 2011 at 11:10 PM

