☰
Login
Join
×
Home
Answered Questions
Repair Topics
Repair & Service Guides
Popular Questions
Warning Lights
Trouble Codes
How It Works
Testing / Diagnostics
Symptoms
Videos
Login
Become a Member
Home
Isuzu
Truck
General
1986 ISUZU TRUCK
150,000 MILES
SCOTTPAFF
MEMBER
10 POSTS
FOLLOW
how do I get wiring diagram for my truck?
Mar 29, 2012 at 7:44 PM
Advertisement
DRCRANKNWRENCH
CERTIFIED EXPERT
3,380 POSTS
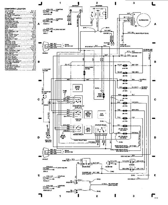
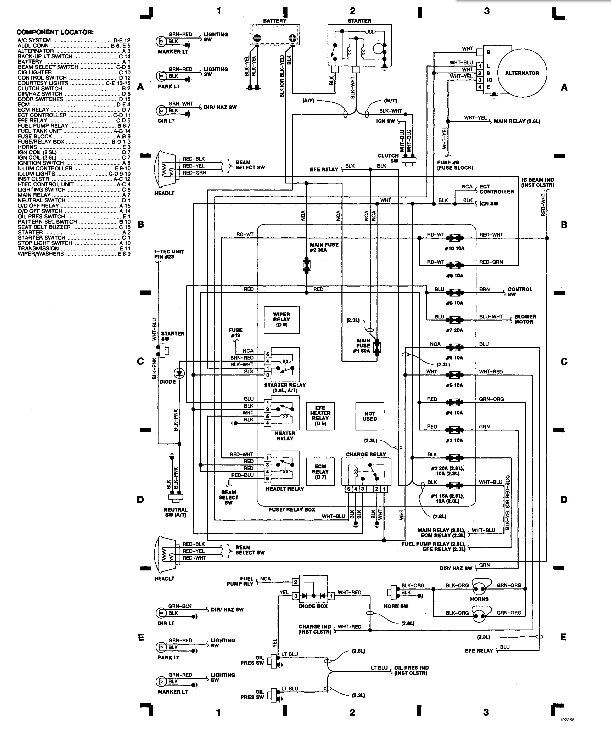
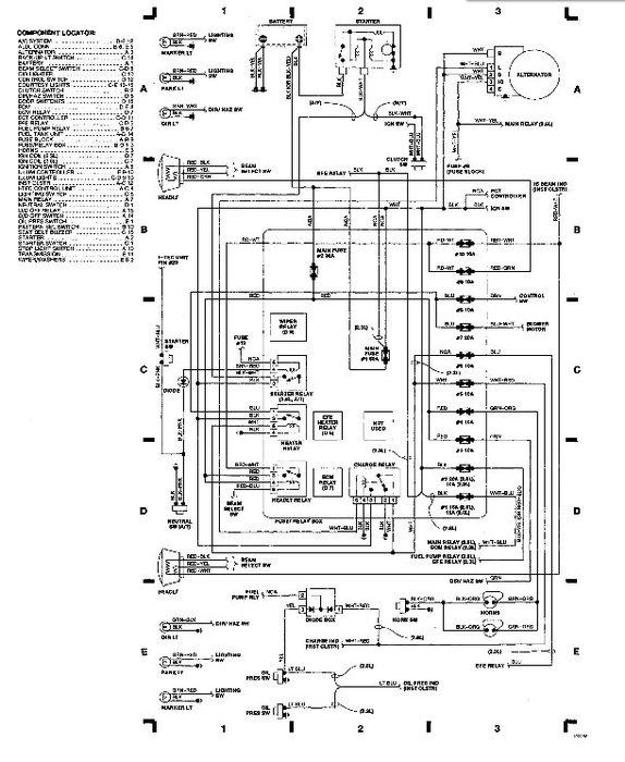
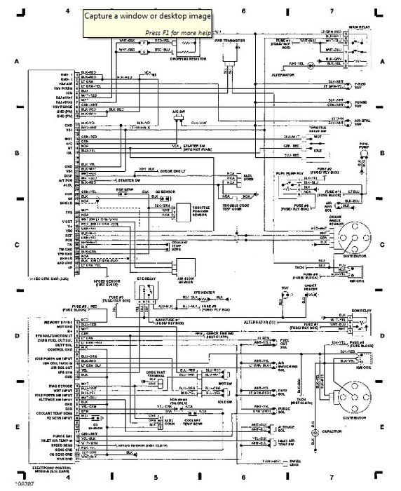
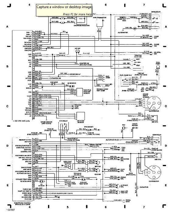
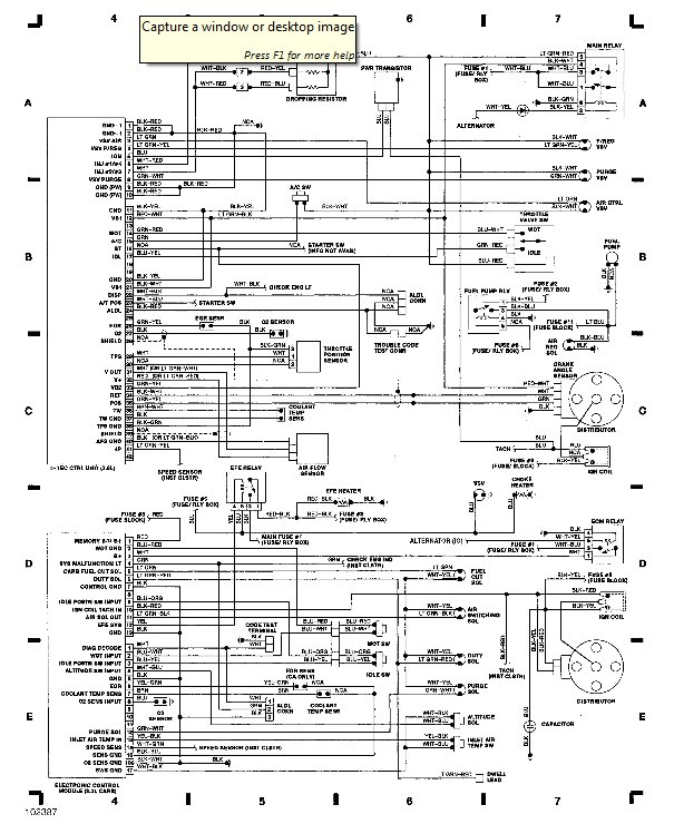
I can give you the power distribution for the truck, but I can't give you the entire truck harness. you will have to go to an auto parts store and get a Haynes manual for that.
https://www.2carpros.com/articles/mitchell1eautorepair-car-repair-manuals
Images (Click to enlarge)
Mar 29, 2012 at 8:02 PM