no power to fuse box or headlight switch?

1986 CHEVROLET CAPRICE
5.7L • V8 • 2WD • AUTOMATIC
Avatar
DWB69
  • MEMBER
  • 1 POST
no power to fuse box or headlight switch half of fuse box has no power
Jan 22, 2015 at 3:38 PM
Advertisement
Avatar
HMAC300
  • CERTIFIED EXPERT
  • 48,601 POSTS
check fusible links by the starter probably one of them are burnt up. they are available at auto parts. should have 12 volts on both sides.
Jan 22, 2015 at 4:45 PM
Avatar
STRAILER
  • CERTIFIED EXPERT
  • 53,855 POSTS
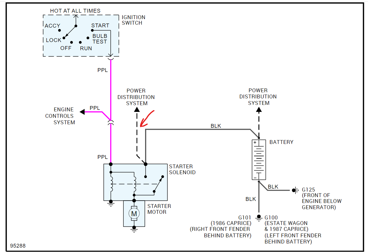
I agree with HMAC300, there are fusible links down at the starter which get old and fail. Here are the locations of the links so you can check them out, just pull on them, if they stretch they are bad. Check out the images (below). Please let us know what happens.
Oct 3, 2024 at 3:44 PM
Advertisement