How do I Repair the Following Electrical issues? (Mostly Instrument Panel, Possibly wiring)

1986 CADILLAC DEVILLE
150,000 MILES
Avatar
TIBIERIUS
  • MEMBER
  • 1 POST
Was given a 1986 Cadillac Deville as a fixeruper/College Grad Gift. Been going through the slow process of repair (Finances and Info Availability), with random surprises (Driver's side Window Held up by Wood and Cardboard and C. Converter held on by Screws!!) galore. At this point, I am having trouble with the following and need to know if I need to replace the interior wiring Harness, either ECM and BCM (Getting Data transfer Error), or something else.

Any information would be most appreciated, since I am unable to afford getting another car.

Here are the major problems:

Instrument Panel: Do not provide Mileage info, just reads 0.

Following Requires Engine/Car Restart before working properly after warmup (cold/warm Engine): Gas Gauge; Inaccurate display *E* or last known amount and Electrical Transmission: Surges between 1st & 2nd Gear.

Dash Lights/head light switch; Intermittent Dash lighting, Head light switch grows hot after prolonged use.

Passenger Side Window Control: Down no longer works

Steering Column: Smoke emits when using Cruise Control.

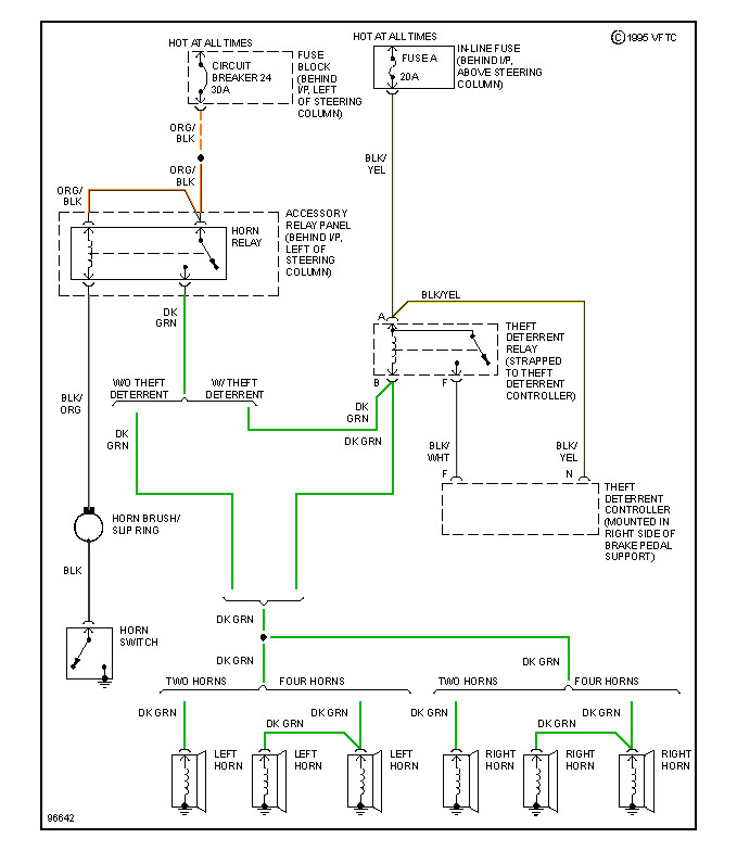
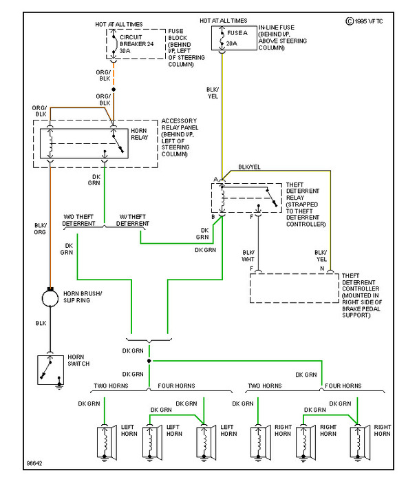
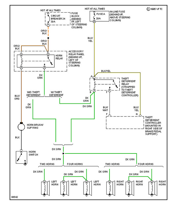
Horn wiring: Disconnected by Previous Owner (can't find a diagram)

Backup lights don't work: will be investigating fuses after payday.

Thank you for your time.
Apr 22, 2012 at 4:42 PM
Advertisement
Avatar
HMAC300
  • CERTIFIED EXPERT
  • 48,601 POSTS
i think you should really look at your wiring system in steering column as it may have some bare wires touching each other or the column itself. check your sindow buttons to be workingand broken wires where the door shuts as they tend to wear out and break. check to see if you have a blinking light or low voltagegoing to sending unit wire. if you do and gauge starts to go up then the sending unit is bad. the trans problem may be a seal or clutch going bad.
Apr 22, 2012 at 5:44 PM