☰
Login
Join
×
Home
Answered Questions
Repair Topics
Repair & Service Guides
Popular Questions
Warning Lights
Trouble Codes
How It Works
Testing / Diagnostics
Symptoms
Videos
Login
Become a Member
Home
Honda
Prelude
Electrical
Alternator
alternator
1984 HONDA PRELUDE
184,000 MILES • 4 CYL • FWD • MANUAL
BOONDOX316
MEMBER
2 POSTS
FOLLOW
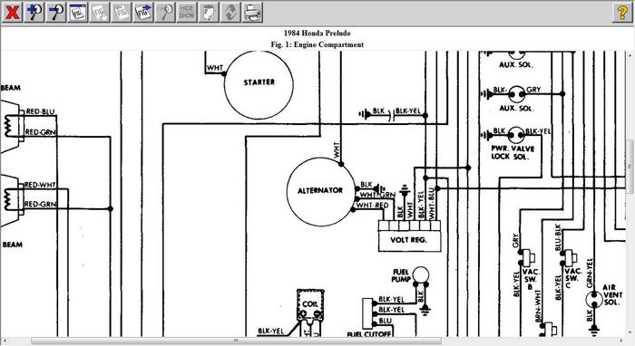
How many wires does the plug for a 1984 honda prelude alternator have?
Mar 8, 2011 at 12:37 AM
Advertisement
RASMATAZ
CERTIFIED EXPERT
75,992 POSTS
See below
Image (Click to enlarge)
Mar 8, 2011 at 2:57 AM
BOONDOX316
MEMBER
2 POSTS
thank you a lot.. now the blk wire coming off the alternator is that a ground wire or what?
Mar 8, 2011 at 5:24 AM
Advertisement