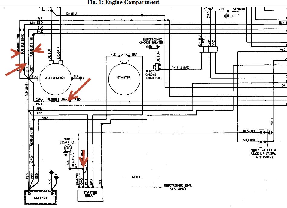
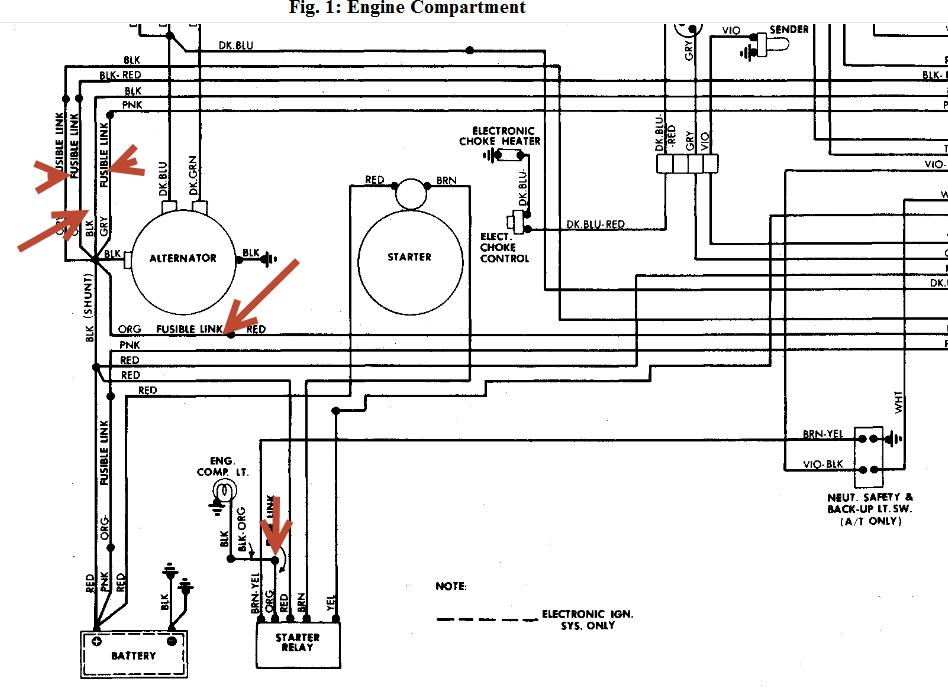
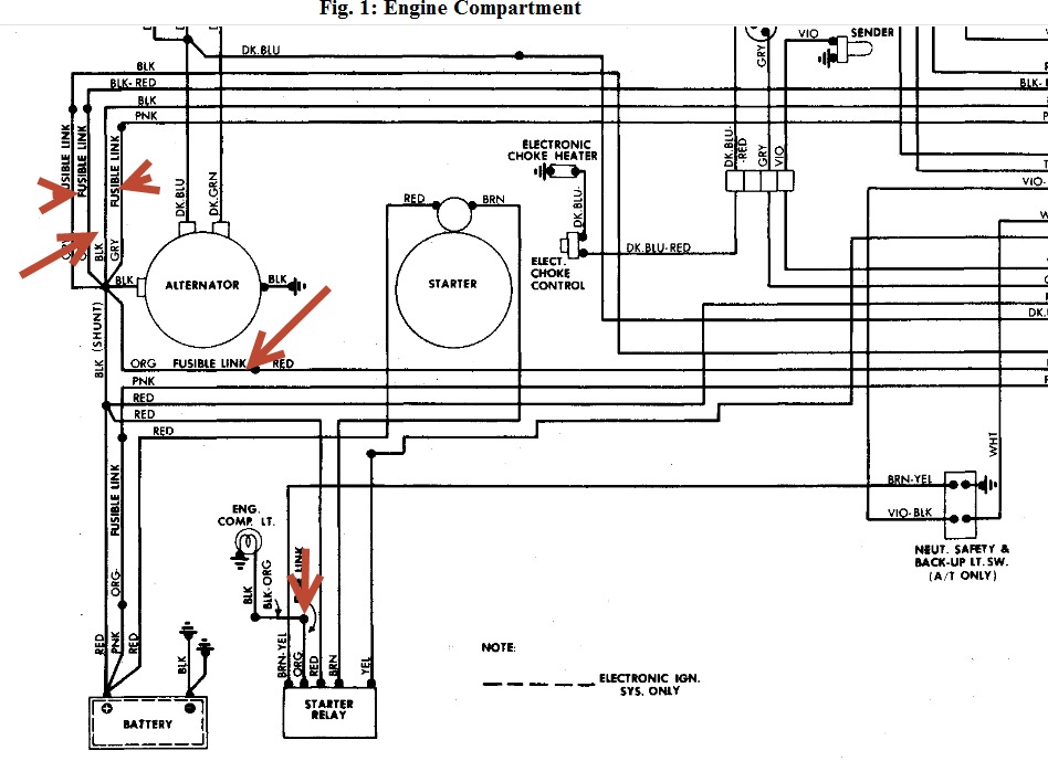
drove from driveway about half mile. car instantly shut down. coasted to side of road. tried to start car and ZERO, NOTHING.. lost all instrument panel lights, radio, turn signals. no clicking or anything when I try to start car. checked battery cables. bypassed starter wiring to battery, car turns over, no start.. just drove car from NY to NC, no problems.. AC works, headlights work. just nothing when try to start. car drives awesome. thought maybe I shorted something in the rain. because that's what it seemed like when it shut down. checked fuses under dash that I could visually check. all ok. checked under hood for any broke or burned wires and all vacuums. found nothing.
Jul 1, 2013 at 10:35 AM
