☰
Login
Join
×
Home
Answered Questions
Repair Topics
Repair & Service Guides
Popular Questions
Warning Lights
Trouble Codes
How It Works
Testing / Diagnostics
Symptoms
Videos
Login
Become a Member
Home
Volkswagen
Bus
Engine
Computer
Replace/Remove
crancase sensor, where and what is it...
1978 VOLKSWAGEN BUS
GR8VW
MEMBER
1 POST
FOLLOW
I've replaced everything I could computer,plugs, air box, you name the computer is not sending infi. to injectors
helop
Apr 17, 2012 at 2:01 AM
Advertisement
RASMATAZ
CERTIFIED EXPERT
75,992 POSTS
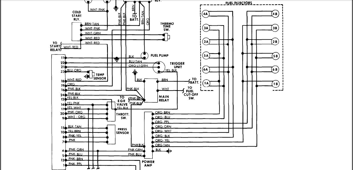
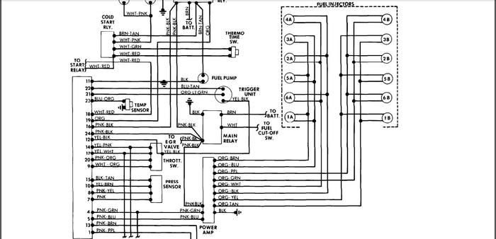
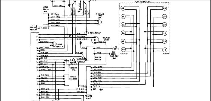
See below-EFI configuration system
Check and test the power amplifier and also the electronic control unit
Images (Click to enlarge)
Apr 17, 2012 at 6:45 AM
EXOVCDS
CERTIFIED EXPERT
1,883 POSTS
The Engine Computer Fuel Pump & Injectors receive power from the
"Double Relay" that is mounted to the back of the engine compartment
(left corner).
A faulty double relay will cause a no-start condition.
Does the distributor have Ignition Points? Or is it a Hall Sensor
Distributor?
Thomas
Image (Click to enlarge)
Apr 18, 2012 at 7:24 PM
Advertisement