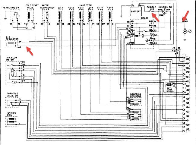
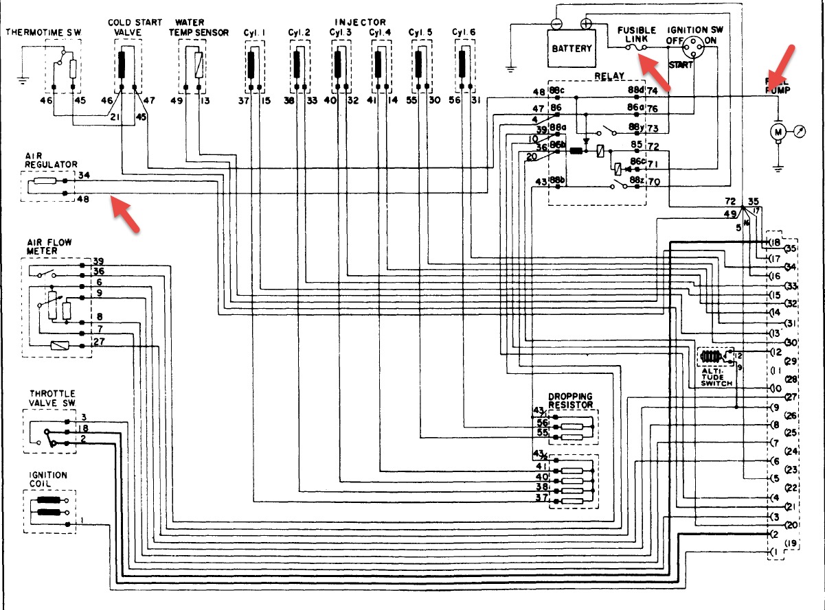
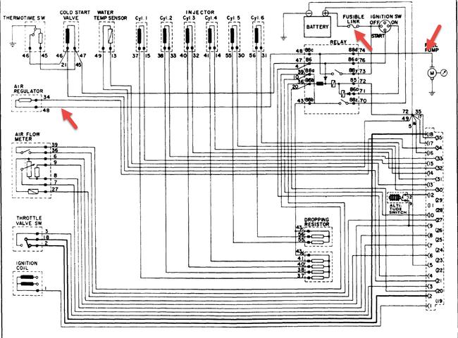
I have a 1977 280z base inline 6 engine. I've been trying to turn it on but it seems like no fuel is getting into the fuel injections. what can i do to solve this problem.I have changed the old fuel pump which i found out was still good, i checked the relay and it seems to be clicking when i try and turn on the car, i put starter fluid into the injection and it turns on but it doesn't stay on because it doesnt get any more gas
Mar 10, 2014 at 11:28 AM
