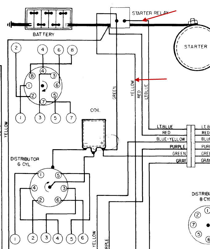
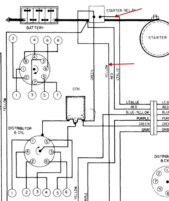
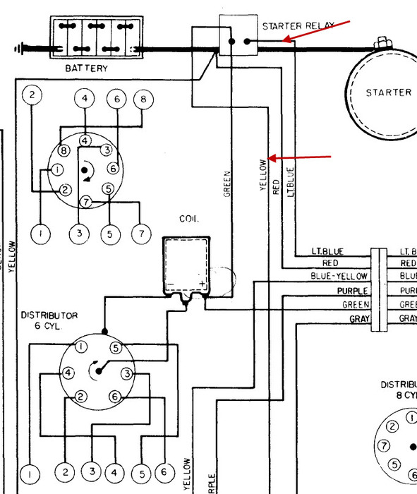
1974 jeep cj5. i got my coil hooked up, but my wiring harness only has a thick yellow wire, a thin yellow wire, a blue and green wire coming out where my solenoid hook-ups are, any help?
Jun 11, 2012 at 4:26 AM

