14 wire pin plug on the transmission?

2015 VOLKSWAGEN GOLF
200,000 MILES • 1.8L • AUTOMATIC
Avatar
MARK MCCOY
  • MEMBER
  • 6 POSTS
I need to know where the blue wire goes in the plug.
Jan 20, 2025 at 12:47 PM
Advertisement
Avatar
STRAILER
  • CERTIFIED EXPERT
  • 53,854 POSTS
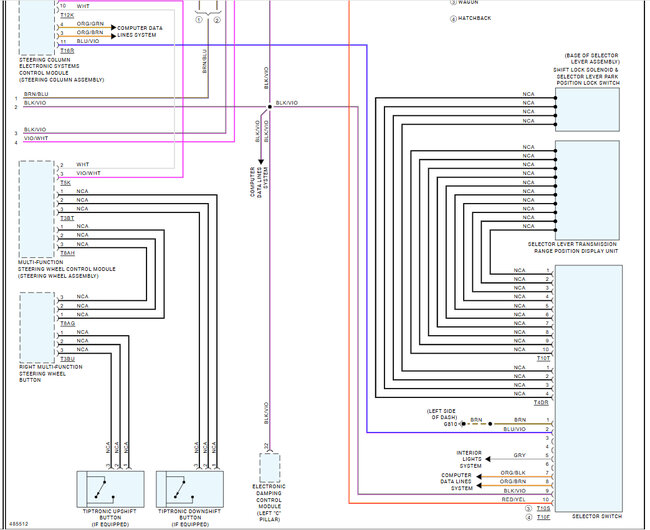
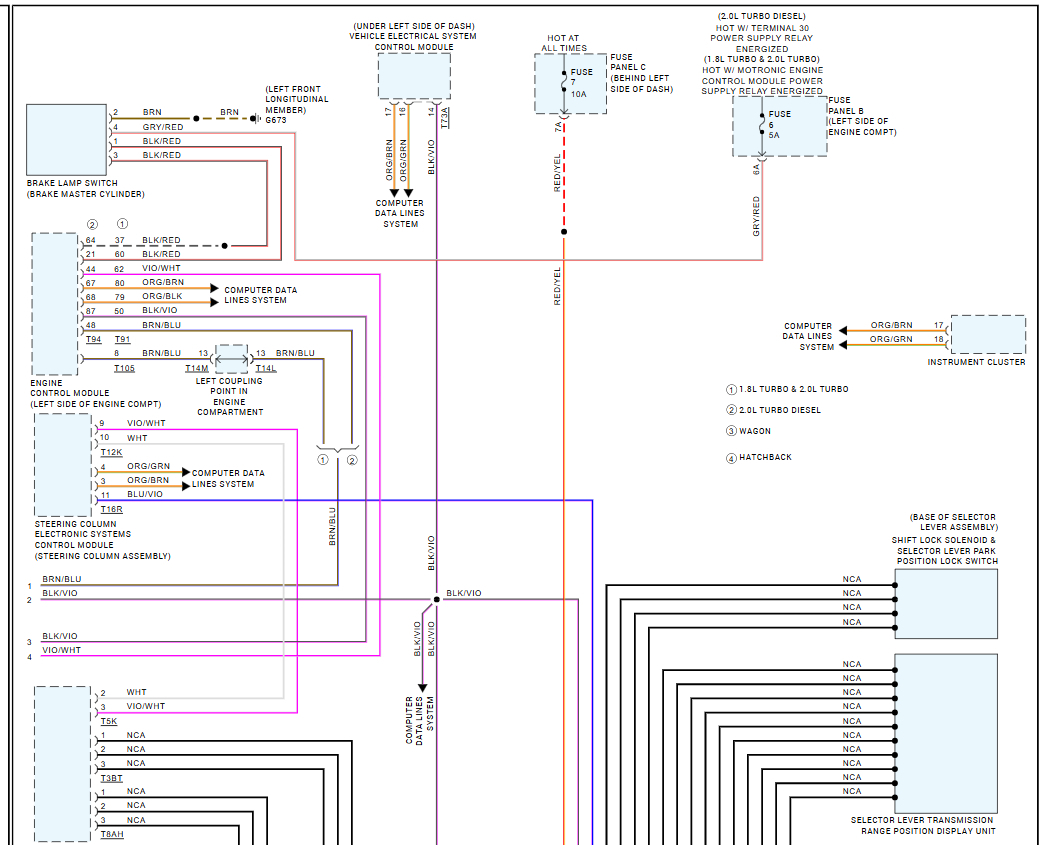
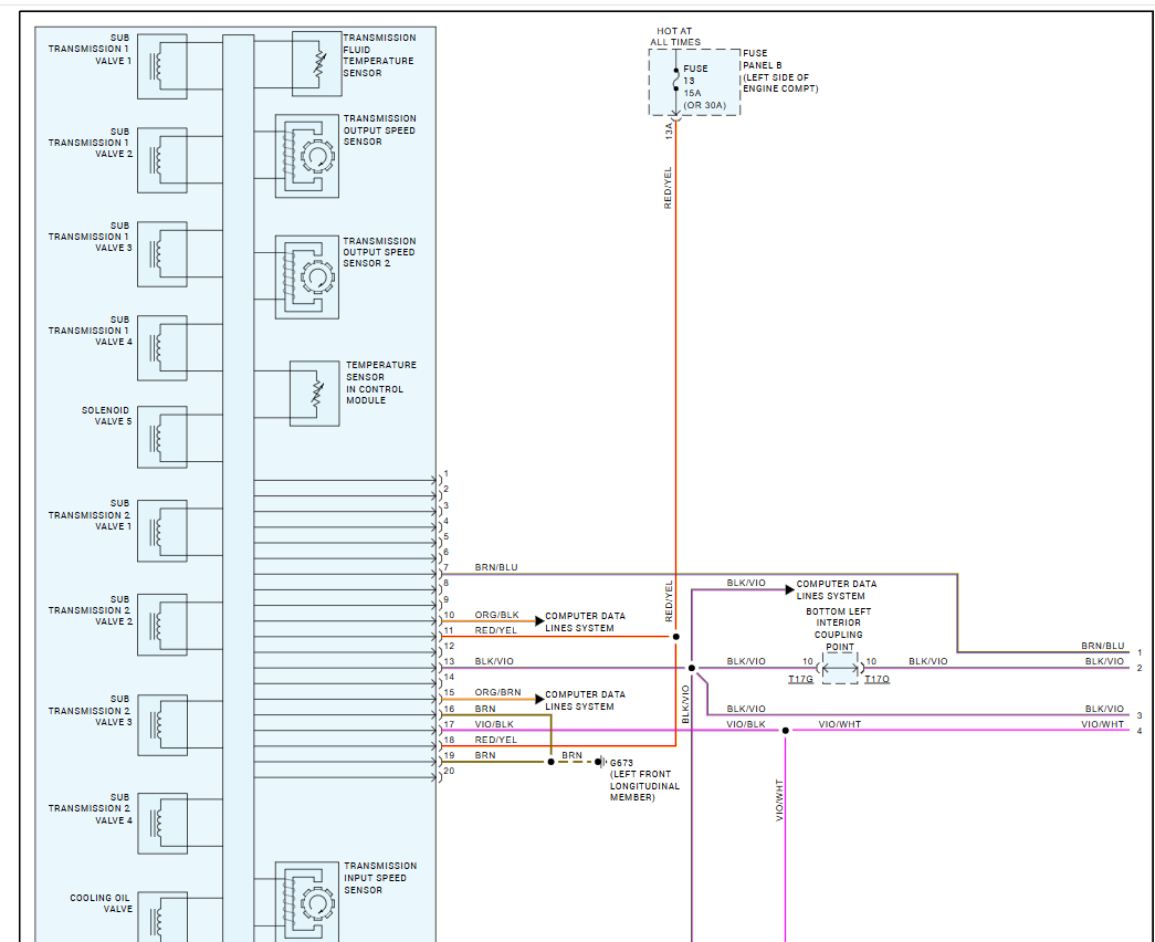
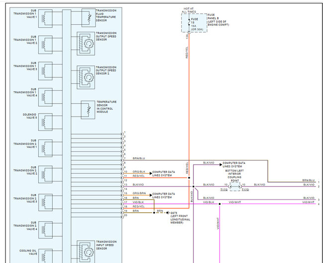
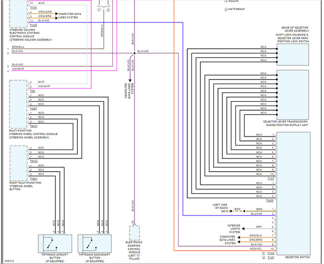
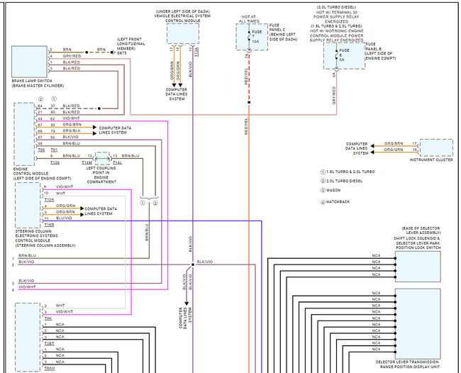
Here are the wiring diagrams for the transmission, I don't see a plain blue wire? Check out the images (below). Let us know if you need anything else.
Jan 21, 2025 at 11:20 AM
Avatar
MARK MCCOY
  • MEMBER
  • 6 POSTS
Thanks Ken, here are a couple of pictures of the factory harness and the number that’s on the harness.
Jan 22, 2025 at 12:57 PM
Advertisement
Avatar
STRAILER
  • CERTIFIED EXPERT
  • 53,854 POSTS
Okay, it looks like someone has done some wiring repairs/modifications to the harness. Does this car have a different transmission than stock?
Jan 23, 2025 at 10:54 AM
Avatar
MARK MCCOY
  • MEMBER
  • 6 POSTS
Here is a picture of the plug a the blue wire that is in the harness 14 wires in the plug a part number of the wire harness . Anyone know where it goes in the plug
Jan 23, 2025 at 1:19 PM (Merged)
Avatar
MARK MCCOY
  • MEMBER
  • 6 POSTS
I did the repairs wires got rip out an I have put them back together it’s the factory transmission and the factory wire harness the blue wire was t added it was in the factory harness when I took the factory tape off the harness the photo you sent is way more than 14 wires that the plug has almost all of the wires are yellow with a color strip 1 red wire 1 black wire no one has added to it. The car is a turbo auto trans 6 speed auto transmission there are so many models still not sure exactly what car. it is has the big sunroof.
Jan 23, 2025 at 1:39 PM
Avatar
MARK MCCOY
  • MEMBER
  • 6 POSTS
I took a picture of the wire harness part number to help narrow it down.
Jan 23, 2025 at 1:41 PM
Avatar
STRAILER
  • CERTIFIED EXPERT
  • 53,854 POSTS
It looks like someone might have installed an older transmission or wiring harness, there is no straight blue wire, please reference the wiring diagrams above. I am not sure what to tell you here, the wiring has been tampered with. Here is the pin out for the connector.
Jan 24, 2025 at 9:19 AM
Avatar
MARK MCCOY
  • MEMBER
  • 6 POSTS
Thanks Ken L.
Jan 24, 2025 at 10:27 AM
Avatar
STRAILER
  • CERTIFIED EXPERT
  • 53,854 POSTS
You are welcome, please use 2CarPros anytime we are here to help.
Jan 25, 2025 at 4:15 PM