Only getting power through my 12v constant on my radio

2004 PONTIAC GRAND AM
171,000 MILES • 2.2L • 4 CYL • 2WD • AUTOMATIC
Avatar
MASON PARKHURST
  • MEMBER
  • 1 POST
12v constant on my radio (yellow wire).
Jun 6, 2022 at 11:26 PM
Advertisement
Avatar
JACOBANDNICKOLAS
  • CERTIFIED EXPERT
  • 110,175 POSTS
Hi,

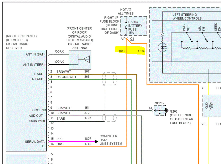
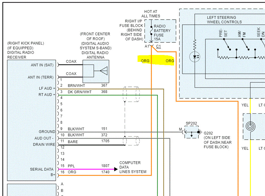
Does the vehicle have the factory radio? If so, does it have a factory amp or not? I ask because the power should be provided by an orange wire. I checked both sets of schematics and both are the same. (See pic below) Let me know that. Also, I need to know if you have radio controls built into the steering wheel.

As far as a yellow wire, the only ones I'm seeing are from the steering wheel and for the speakers. So, let me know where you are checking the yellow wire. Also, let me know if the radio is doing anything.

Let me know.

Joe

See pic below.
Jun 7, 2022 at 5:46 PM