Hi there,
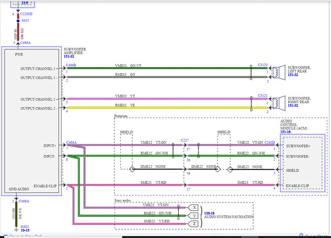
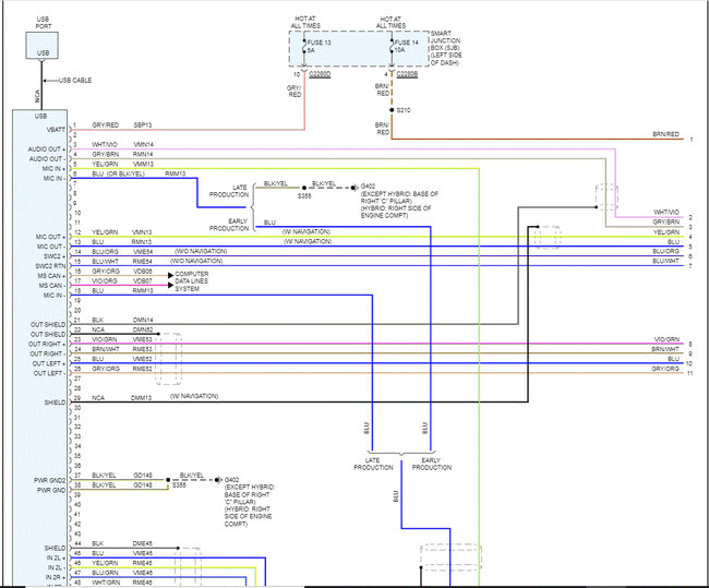
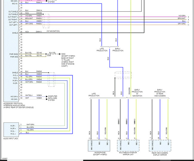
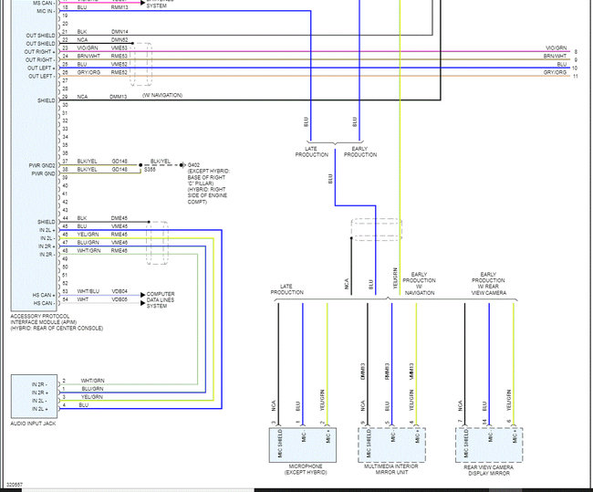
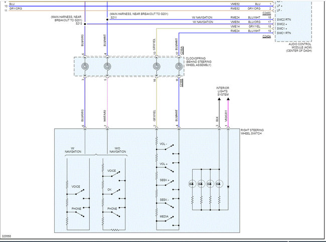
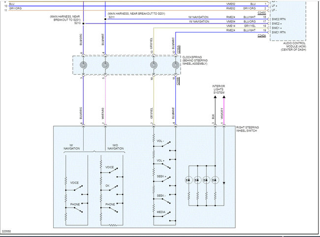
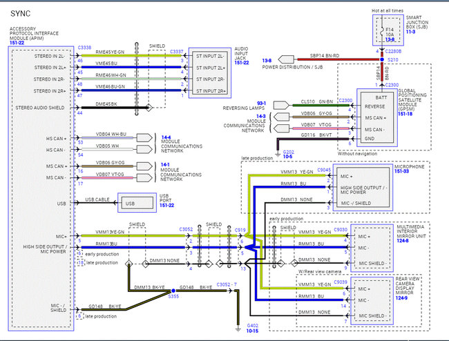
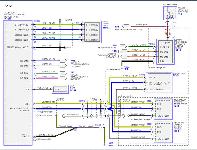
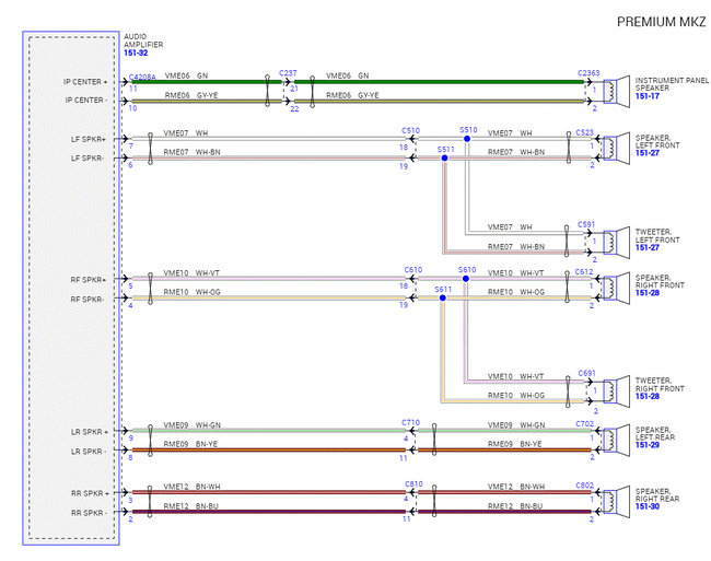
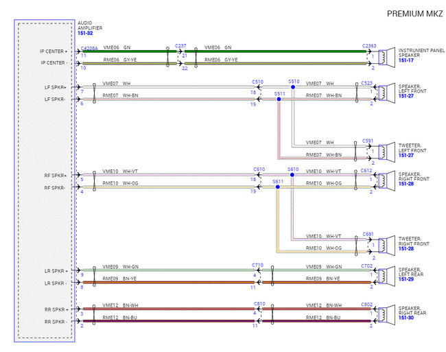
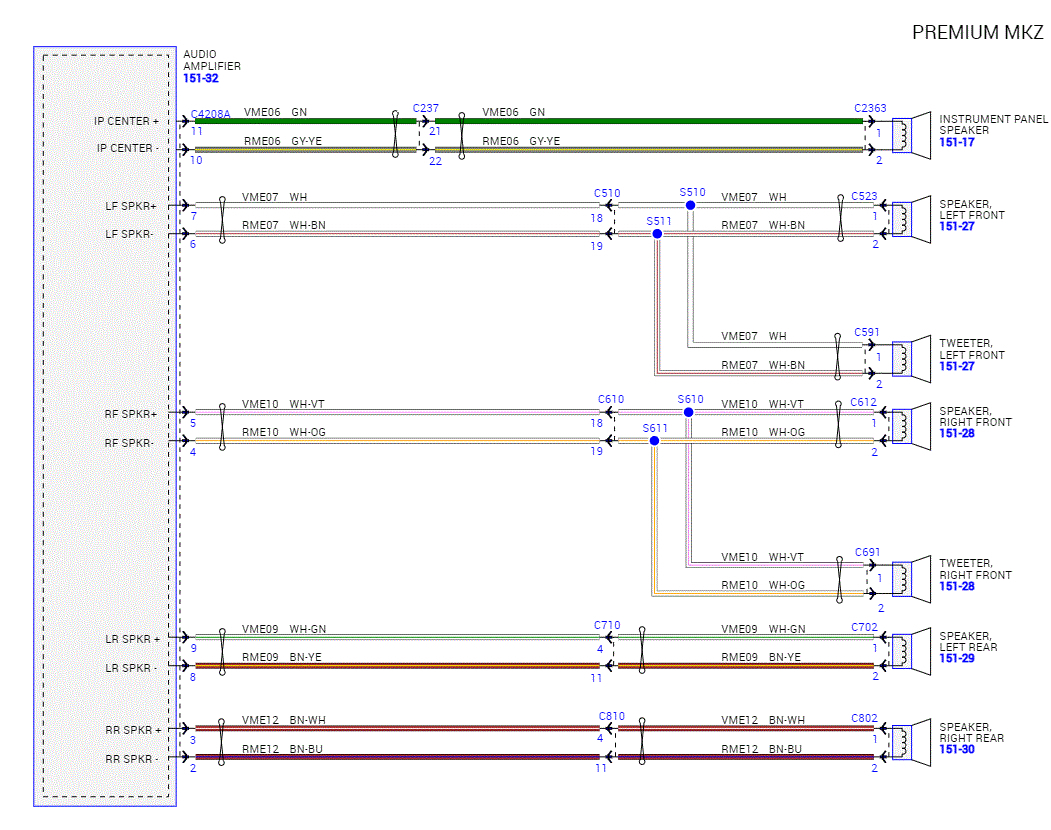
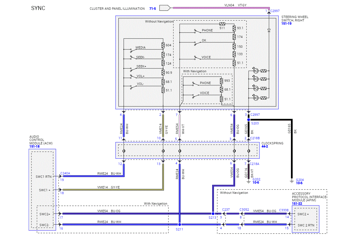
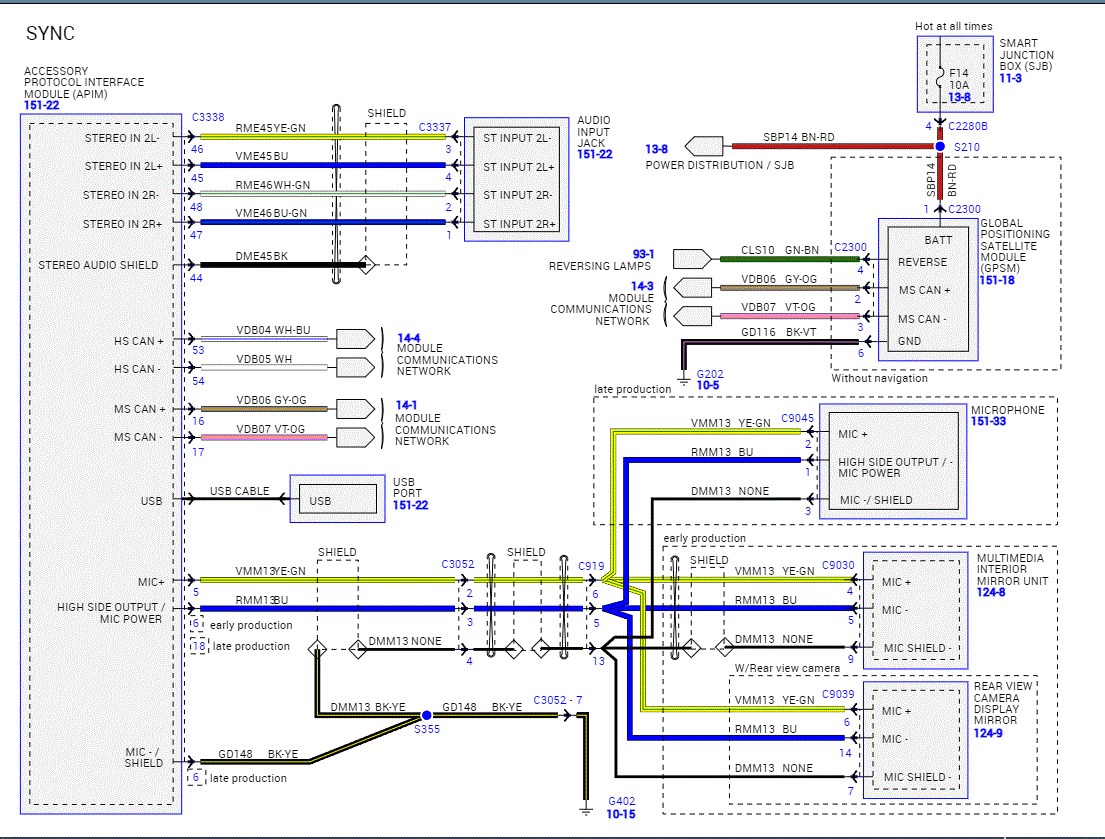
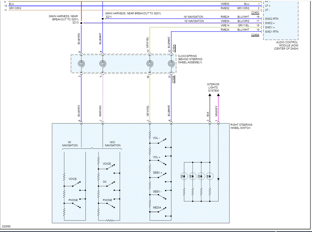
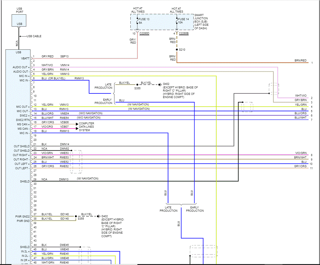
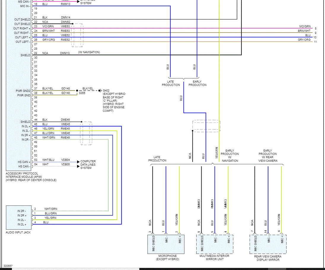
I have the car listed above SLE without Navigation System, and no Sync. I was going to upgrade the car stereo, but I was not able to find the wiring diagram related to the three connectors the car has. Can you kindly help me?
I have the car listed above SLE without Navigation System, and no Sync. I was going to upgrade the car stereo, but I was not able to find the wiring diagram related to the three connectors the car has. Can you kindly help me?
Jan 23, 2022 at 12:23 PM
































