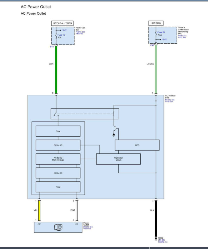
This van has a few "lighter" style outlets, but it also has one 2-prong "house" style outlet in the third-row seating area. The label states it is 115V and 150W. And there is also a composite AV connector right next to the outlet for use with the fold down DVD player screen, making me think they intended for you to plug in a video game console or similar to that power outlet. But I can't think of any video game console that only uses 1.3A, unless they are thinking of something old-school.
So, my question is, can the amps on this outlet somehow be "upgraded" with better breakers/fuses or is it limited to the wiring or alternator inside the van itself? I just don't really see any use for this outlet with only 1.3A, except maybe to charge your phone...
So, my question is, can the amps on this outlet somehow be "upgraded" with better breakers/fuses or is it limited to the wiring or alternator inside the van itself? I just don't really see any use for this outlet with only 1.3A, except maybe to charge your phone...
Jan 15, 2022 at 4:42 PM



