Hi,
The most common cause of a dim light is a weak ground. Is it a high or low beam that is dim? Which side of the vehicle is it on?
Also, if the light is coming on, fuses are not a likely issue. However, which ones are you finding not to have power? Keep in mind, many of the fuses in your vehicle receive power from a different fuse box and fuse, so if there are several not getting power, there is a good chance a different fuse is bad. Here is a link you may find helpful testing fuses. It's important to not only inspect the fuse itself but to also confirm there is power to and from.
https://www.2carpros.com/articles/how-to-check-a-car-fuse
Also, try this. Whichever light is dim, disconnect the connector and inspect it to make sure there isn't a corrosion issue or a problem with the plug itself.
Here is a link you may find helpful:
https://www.2carpros.com/articles/how-to-check-wiring
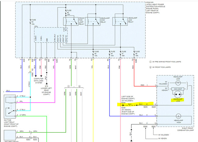
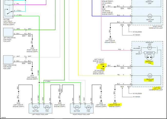
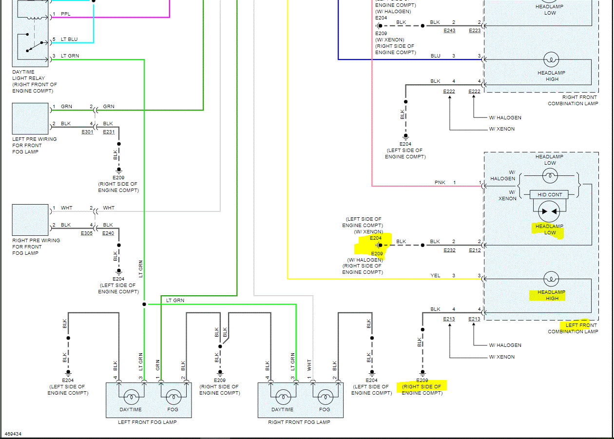
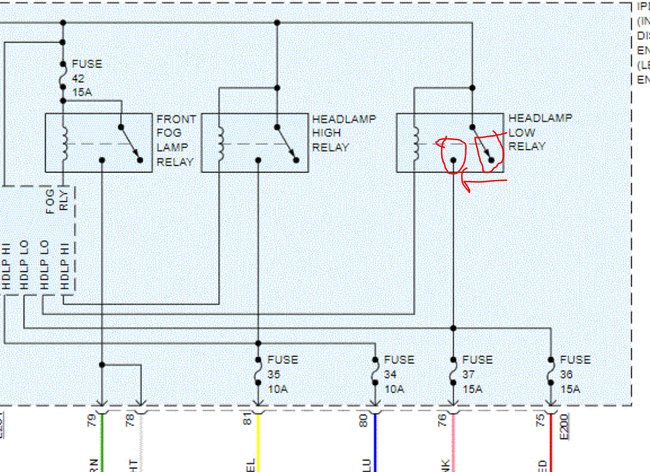
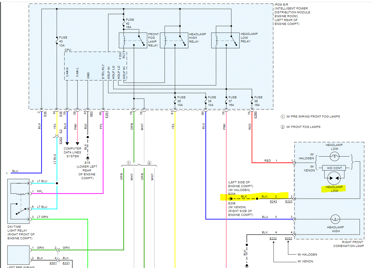
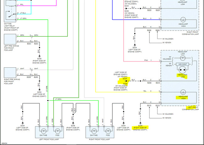
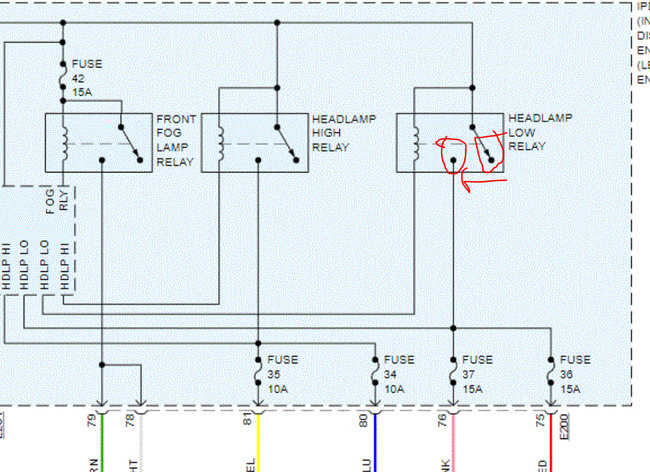
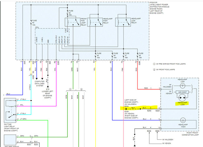
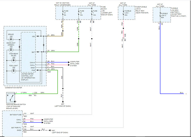
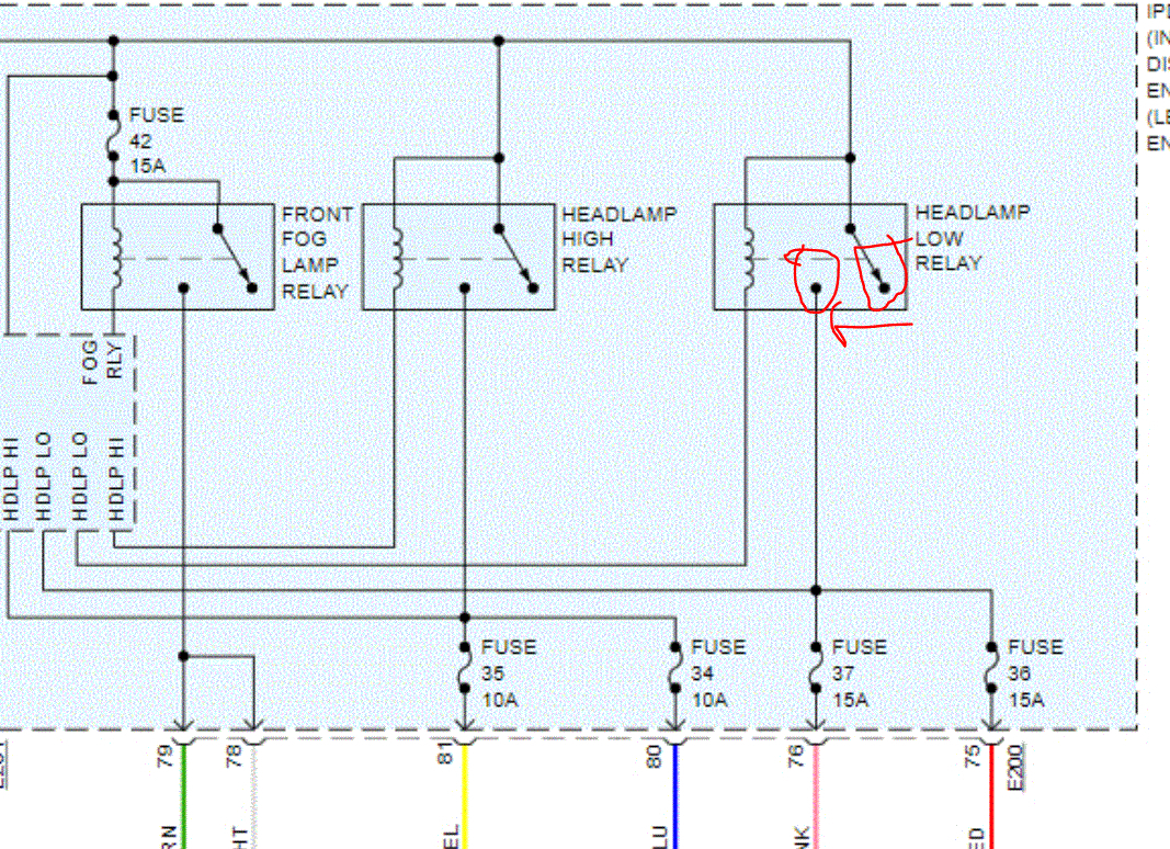
If you look at the attached pics below, I included the entire wiring schematic related to the headlamps. I highlighted 4 wires. Note: Each wire is for ground to a different bulb and different beams (high or low). If you are comfortable doing it, go to the light on the schematic showing the problem light. I highlighted where the ground location is located. Locate and inspect the ground as well. Make sure there isn't corrosion, damage to a wire, and make sure it is tight.
Let me know what you find or if you have other questions.
Take care,
Joe
See pics below.
Images (Click to enlarge)
Aug 2, 2021 at 9:07 PM