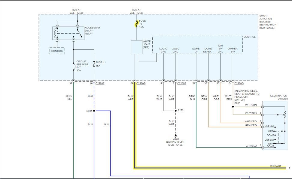
I own the SUV listed above Limited. this car has been a great car. As of a few months ago, the steering wheel control lights as well as the center console gear shift lights quit working. all lights on the dash and doors still work fine. Could this be a bulb? fuse?
Jan 17, 2020 at 12:24 PM





