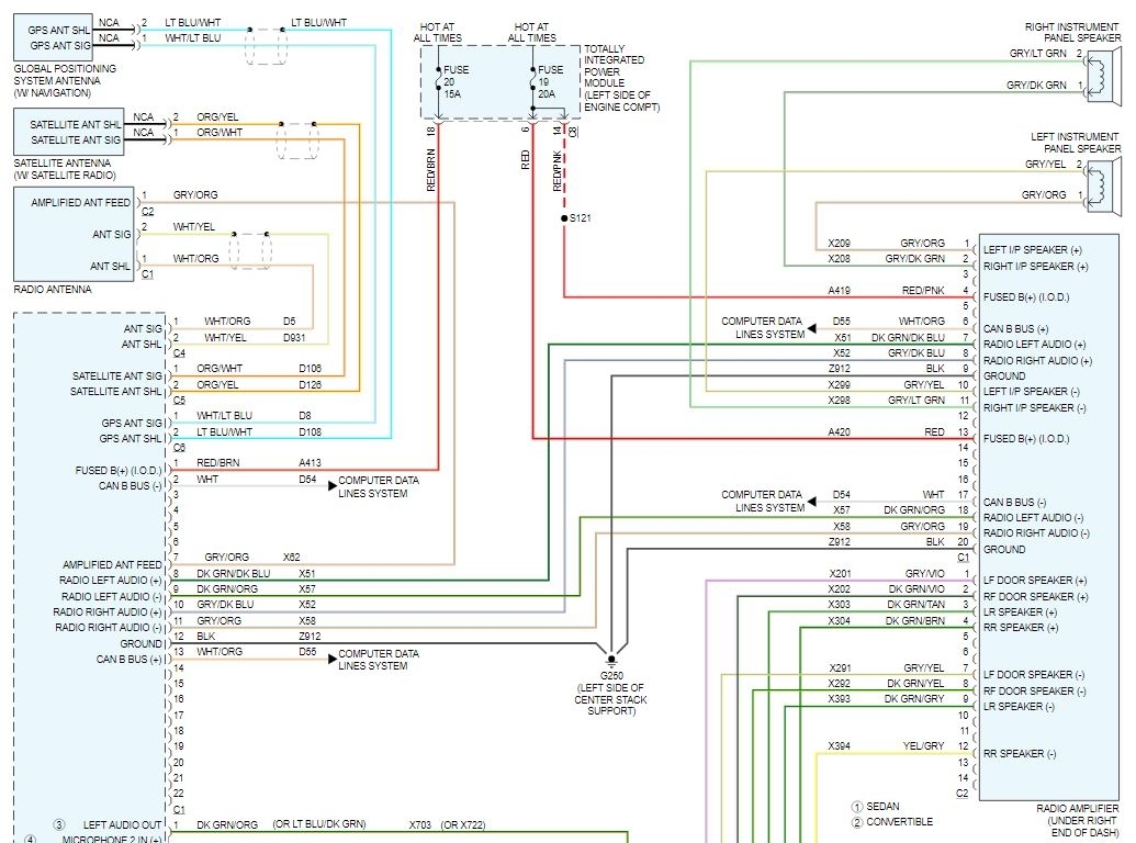
From the description I would say something in the radio itself failed. That looks like the optional factory RER 730N navigation and Sirius radio for that vehicle though not an aftermarket unit. The first thing to do is be sure that the fuses 19 and 20 actually have power. For that take a test light and connect it to a good ground, then touch the light to the small tabs on top of them. If there is power there the light will come on.
From there you would need to test inside at the connectors themselves for power and ground.
Removing it to test isn't difficult. The trim panel around it simply pulls free from clips around the panel, then 4 - 7mm screws secure the radio into the dash. Then the electrical connections unplug.
Now look at the the plugs on the harness, you are looking for a Red wire, a Red wire with Brown stripe and a Red wire with Pink stripe. Those 3 wires should have battery power all the time. Use the test light attached to a good ground to verify there is power.
If there is the next step would be to verify the ground connections. There are three that all go to one ground point inside the dash. To test those you connect the test light to battery positive and see if the light comes on when you touch them.
If the powers and grounds check OK it is likely you have a bad stereo unit. There is a TSR on these units being very sensitive to power losses and spikes. During the jump it is very possible that simply connecting the cables created a spike that damaged it. Also if the cause for the low battery isn't known it as well could be caused by a defective stereo.
Dec 12, 2019 at 2:39 PM