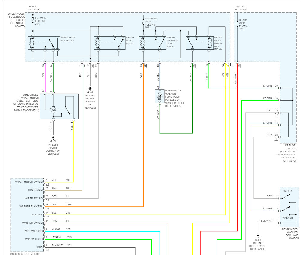
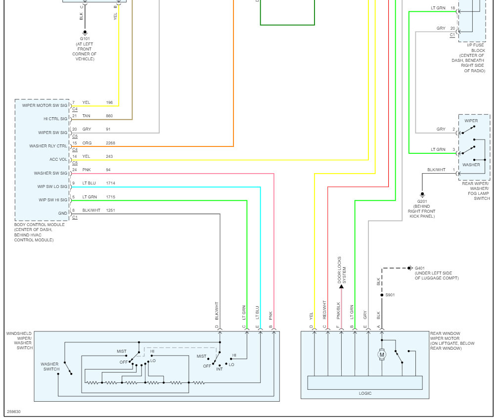
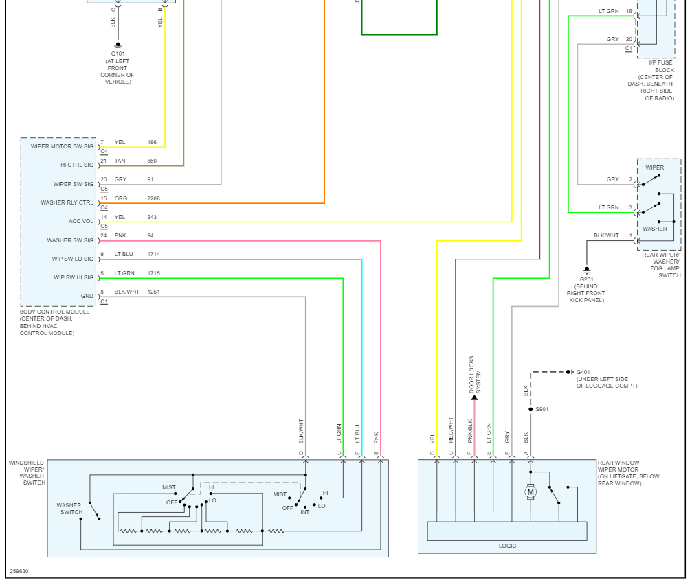
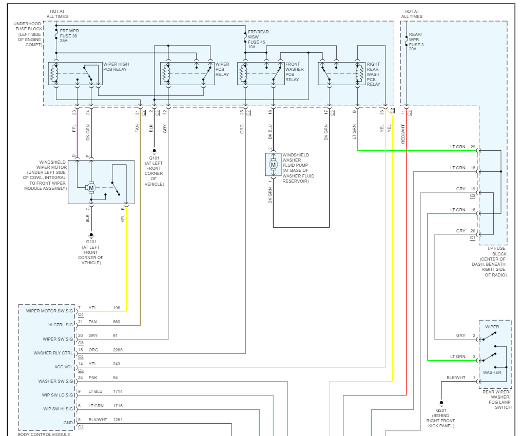
Rear washer works, rear wiper works, but wiper doesn't automatically turn on with the washer. It used to, then just didn't one day. Then wiper arm froze to the window and burned out the motor (without blowing the 20A fuse). I replaced the motor, but wiper and washer still only work separately. What module or fuse is responsible for turning the wiper on when the washer is activated?
Jun 18, 2023 at 5:25 PM



