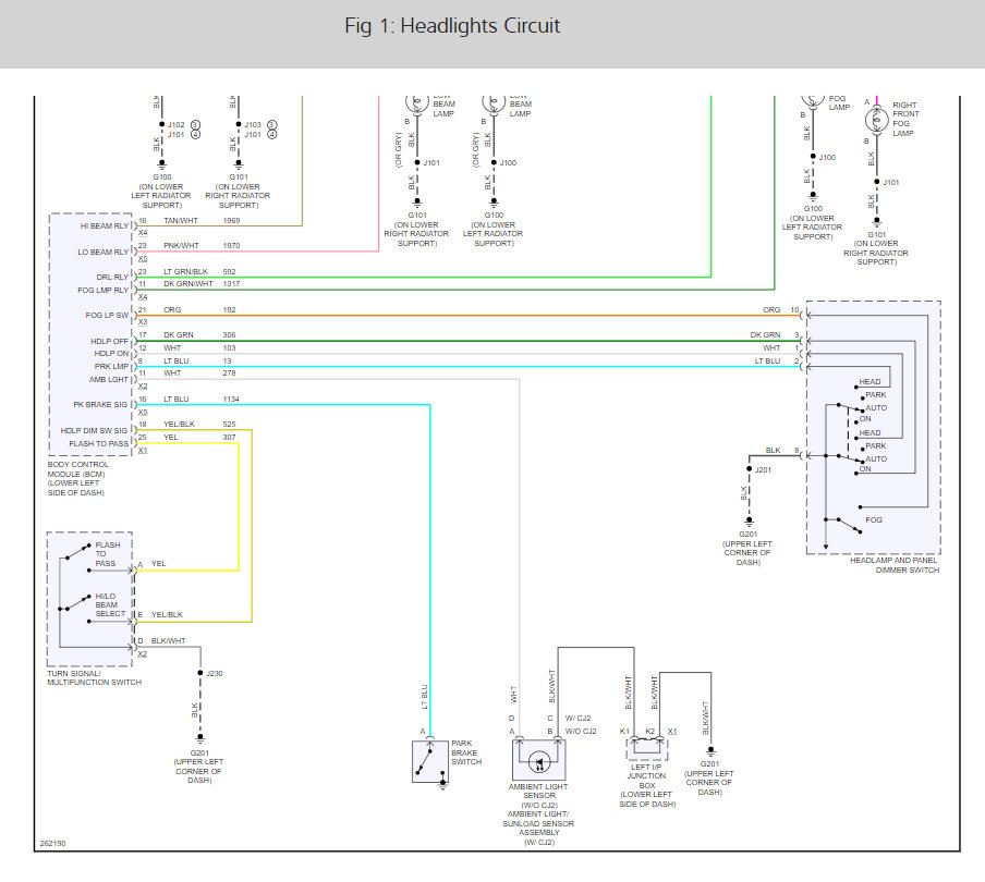
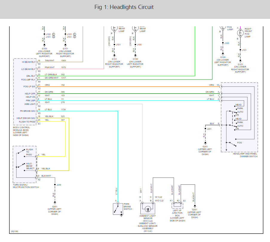
Brights work when on auto. All interior lights work. Lights will not come on in daytime but work fine when gets dark. Also DRL relay is getting very hot. Plan to replace tomorrow.
Aug 30, 2019 at 6:16 PM













