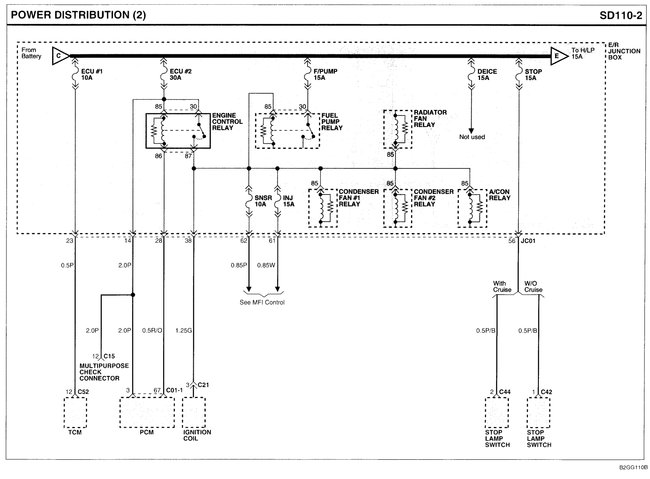
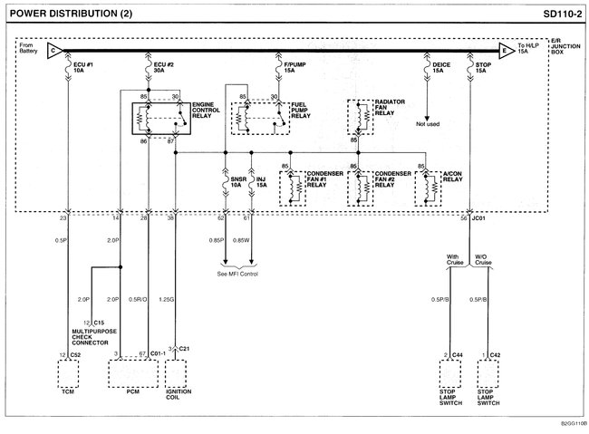
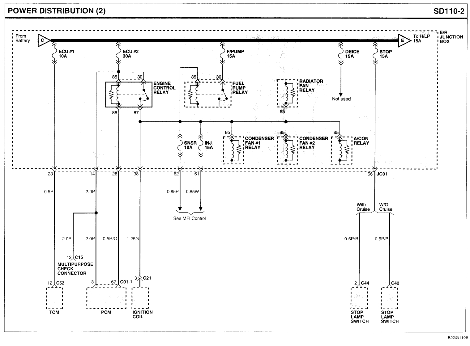
I bought the car listed above it is the Spectra5 model. a few months ago. I knew it had a couple issues but it turned out to have more than i thought. I hauled it home on a trailer. I changed the lower control arms and struts. It would start up and drive but the power locks, power windows, radio, speedometer, tachometer, gas gauge, temperature gauge, and pretty much everything on the dash (other than the heater and passenger airbag light) did not work. Then it would stall out and battery would need charging. I discovered under the hood in the fuse panel that there was a bigger screwed down fuse along the side of the panel that had blown. I was unable to change the fuse itself because it had been previously stripped. I have pretty much the same car that i bought brand new in October of 2005 but I crashed it in July 2006 with 24,000 on the odometer. I took the whole fuse panel a from my other car and installed it in this one. The engine will crank but it will not start. I can hear a click upon turning the key then another click a few seconds later. I have traced it down to the "ECU#2" 30 amp fuse. If I pull the fuse no click but still no start. any ideas?
Dec 14, 2017 at 7:07 PM
