Speedometer only works intermittently

2006 HONDA CRV
180,000 MILES • 6 CYL • 4WD • AUTOMATIC
Avatar
MFILES14
  • MEMBER
  • 1 POST
The speedometer only works once in a while. Cruise control still works. I changed the vehicle speed sensor on the transmission hoping that was the problem, but it wasn’t. Where should I look next?
Apr 30, 2022 at 6:58 PM
Advertisement
Avatar
KASEKENNY
  • CERTIFIED EXPERT
  • 18,907 POSTS
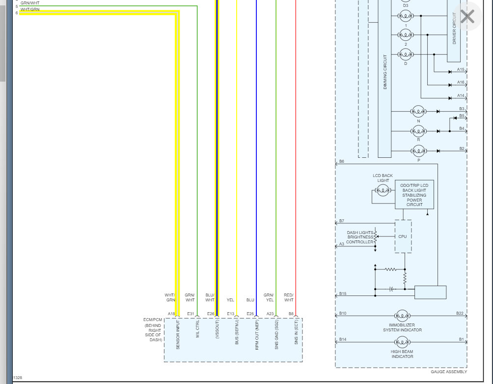
There are a couple of things that we need to find out because the way this works is the vehicle speed sensor sends a signal to the cluster through the PCM due to this being automatic.

So, we need to check fuse 4 in the under-dash relay/fuse panel.

https://www.2carpros.com/articles/how-to-check-wiring

https://www.2carpros.com/articles/how-to-check-a-car-fuse

Basically, the sensor sends a signal to the PCM on the vehicle speed and then the PCM sends the speed to the cluster for it to display.

So, this means we need to find out if the PCM is sending the signal to the cluster since the cruise works. Basically, if when the speedometer is not working the cruise still does, we can assume the PCM is not the cause.

So, if the only thing that does not work and you have no codes then the cluster is the likely issue of this issue.

https://www.2carpros.com/articles/checking-a-service-engine-soon-or-check-engine-light-on-or-flashing

So that means we need to go to pin A4 of the cluster and just check and see if the PCM is constantly sending the signal even when the speedometer is not working.

I attached the wiring diagram below so let me know what questions you have and what you find.

Thanks
May 1, 2022 at 11:58 AM