Locking and unlocking by itself, security light on dash

2006 CHEVROLET COBALT
150,000 MILES • 4 CYL • 2WD • AUTOMATIC
Avatar
JARED MINDY BROCK
  • MEMBER
  • 1 POST
Locking and unlocking themselves while driving and when car is turned off. Just recently, the lock/security alarm light appeared in my dash. Opened driver side door and alarm went off until I started it. I do have a key fob, but have never used it, the batteries are dead. Could this be caused by water getting into the locks?
Aug 9, 2018 at 8:15 PM
Advertisement
Avatar
STRAILER
  • CERTIFIED EXPERT
  • 53,854 POSTS
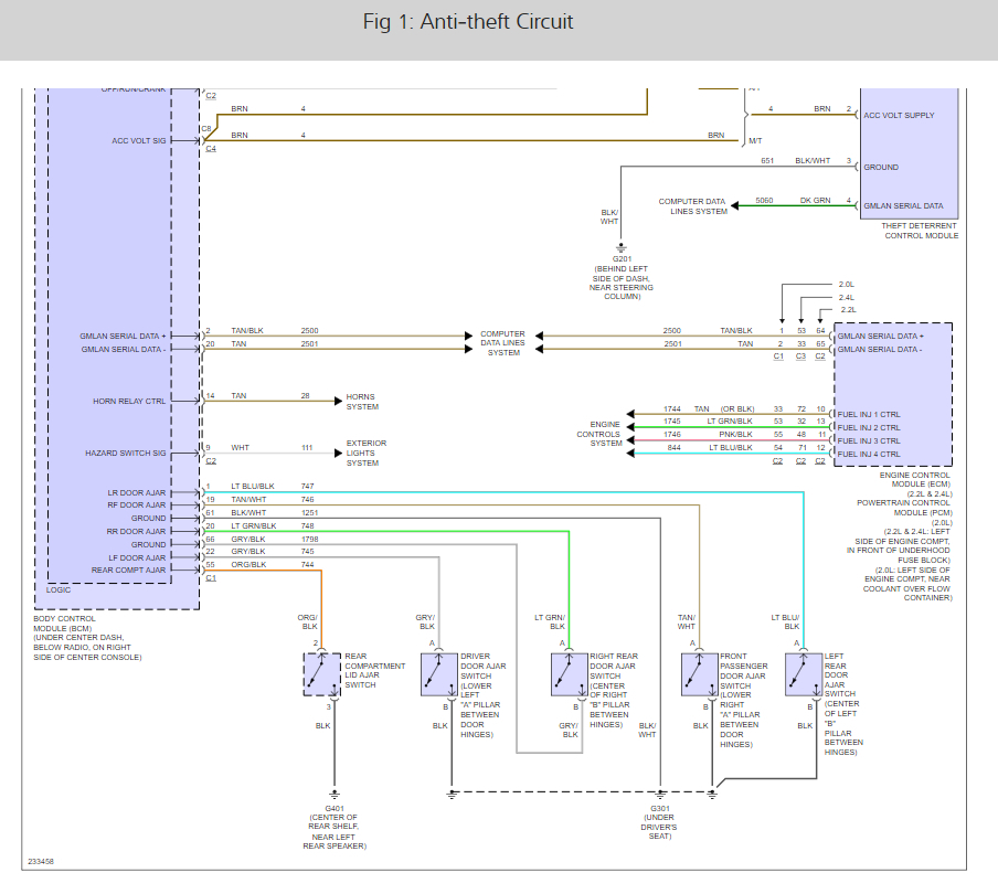
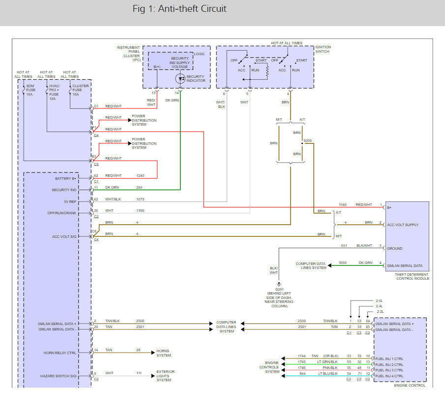
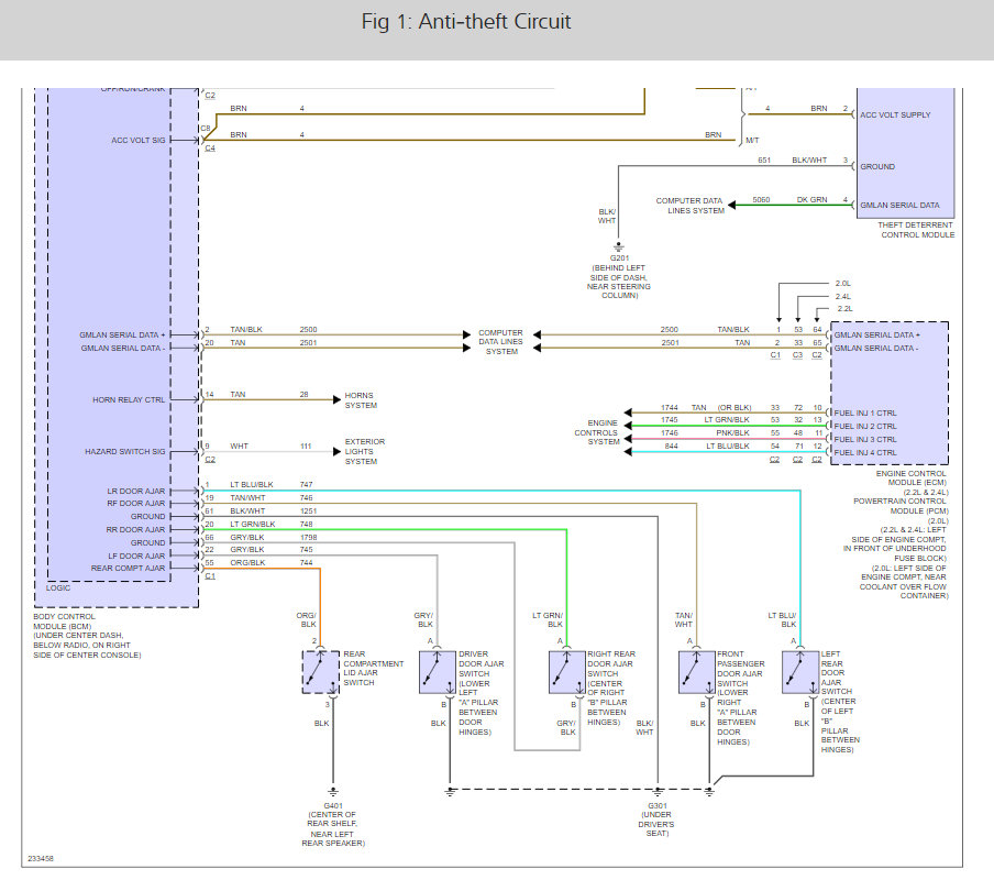
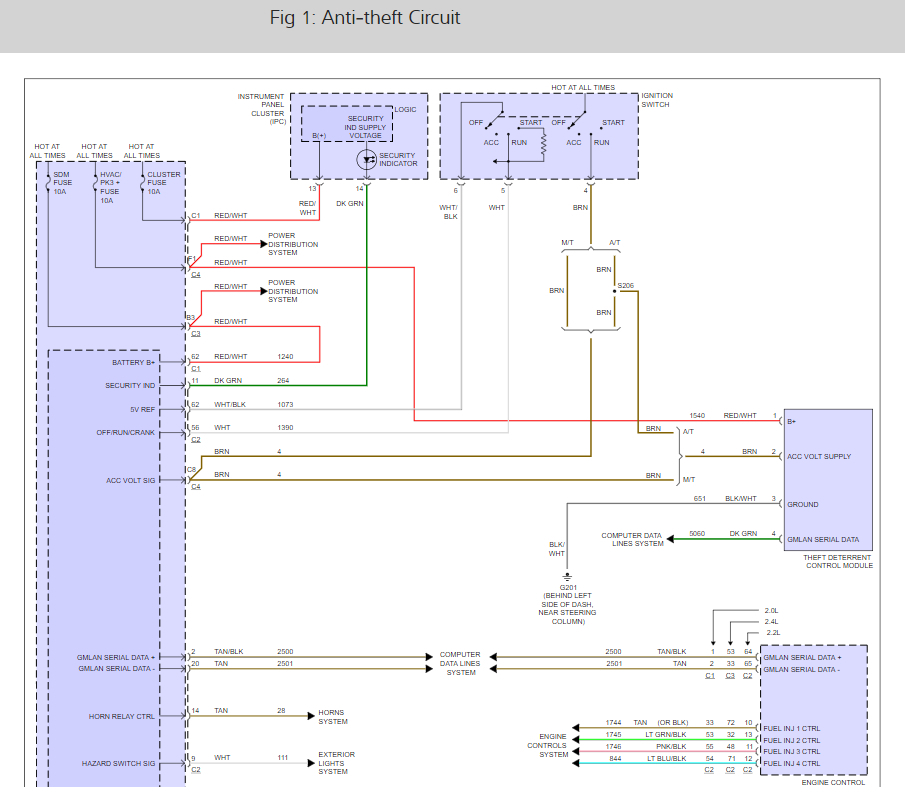
Yes this can happens when the drivers door latch micro switch gets wet or goes out the system gets confused and then goes off. Here is a wiring diagrams of the security system so you can see how it works. Also, remove the BCM to check for corrosion on the pins of the electrical connector. Here is the location.

Check out the diagrams (below). Let us know what happens and please upload pictures or videos of the problem.

Cheers, Ken
Aug 11, 2018 at 1:00 PM