Starter location

2006 CADILLAC DEVILLE DTS
118,000 MILES • 4.6L • V8 • 2WD • AUTOMATIC
Avatar
MICHAEL KURTZ
  • MEMBER
  • 1 POST
Can you please tell me where is the starter located ?
Oct 29, 2017 at 1:43 PM
Advertisement
Avatar
PATENTED_REPAIR_PRO
  • CERTIFIED EXPERT
  • 1,853 POSTS
Under the intake manifold. Here are the instructions for replacing it, https://1drv.ms/b/s!Ald3K7ShbumWhmTO3YOwbEJHKbpc


And here is how to replace the intake manifold,
https://1drv.ms/b/s!Ald3K7ShbumWhmXhkNA_bitKfSt0

Make sure you copy and paste those entire links into the browser address bar. It should not be too difficult of a job, the book calls for about one and half hours to do it. You have to copy and paste the entire links. For some reason this website cut off the links early.

Here is more

https://www.dropbox.com/s/1bjmslrifv4cxfd/06%20Cadillac%20DTS%204.6%202wd%20starter.pdf?dl=0
Oct 29, 2017 at 2:19 PM
Avatar
STRAILER
  • CERTIFIED EXPERT
  • 53,854 POSTS
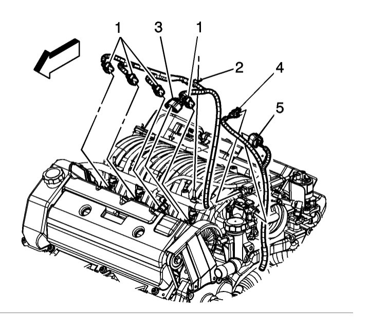
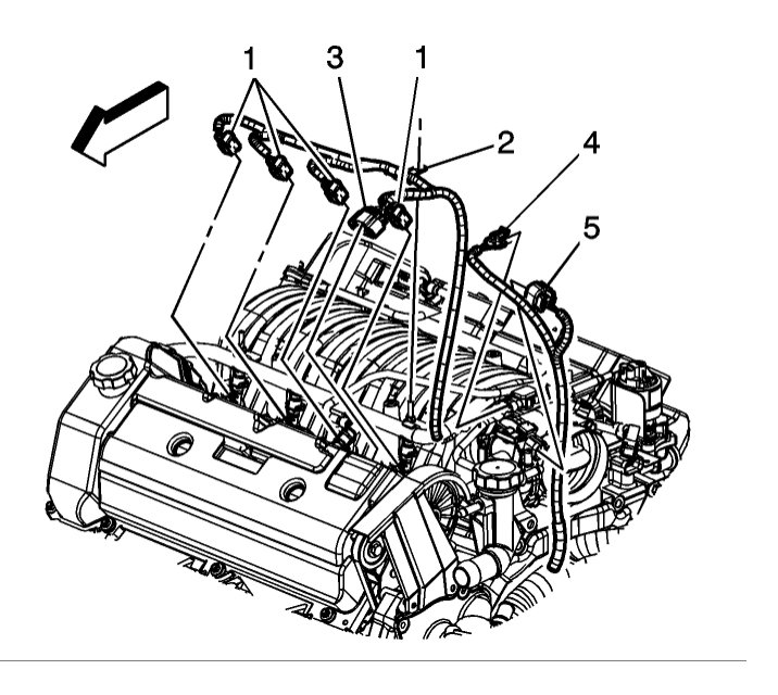
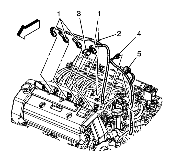
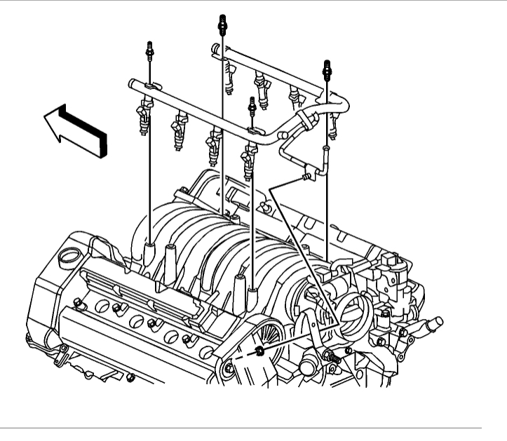
Here are more diagrams to help you get the job done. (below) also this guide will give you the basics of the replacement.

https://www.2carpros.com/articles/how-to-replace-a-starter-motor

and here is what you are in for when doing the intake

https://www.2carpros.com/articles/replace-intake-manifold-gasket

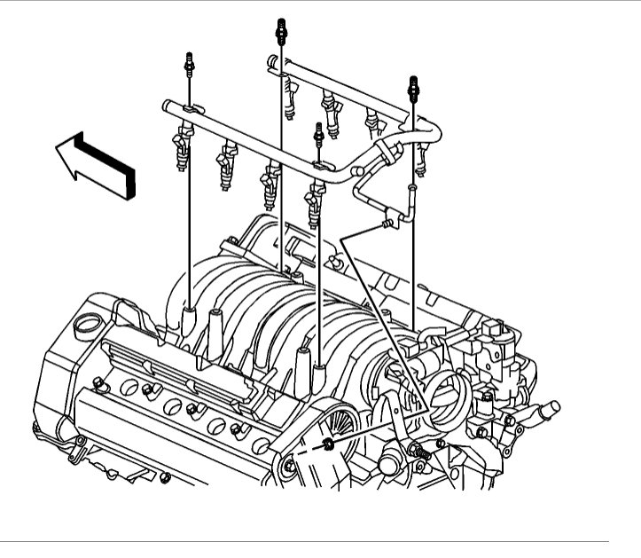
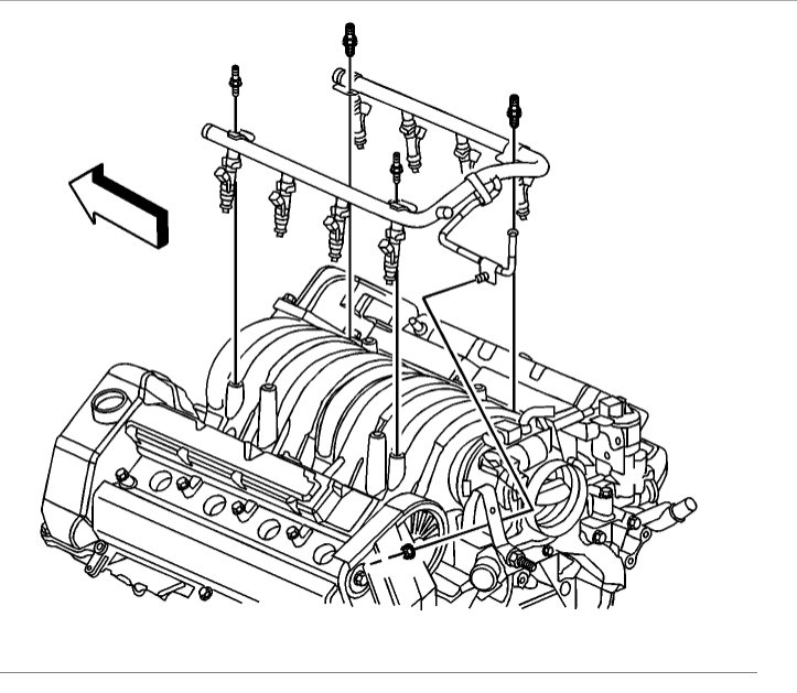
Tighten the intake manifold bolts. Tighten the bolts in the sequence shown to 10 Nm (89 inch lbs.)

Here are the starter replacement diagrams for your car

Please let us know what happens.

Cheers, Ken
Oct 31, 2017 at 12:00 PM
Advertisement