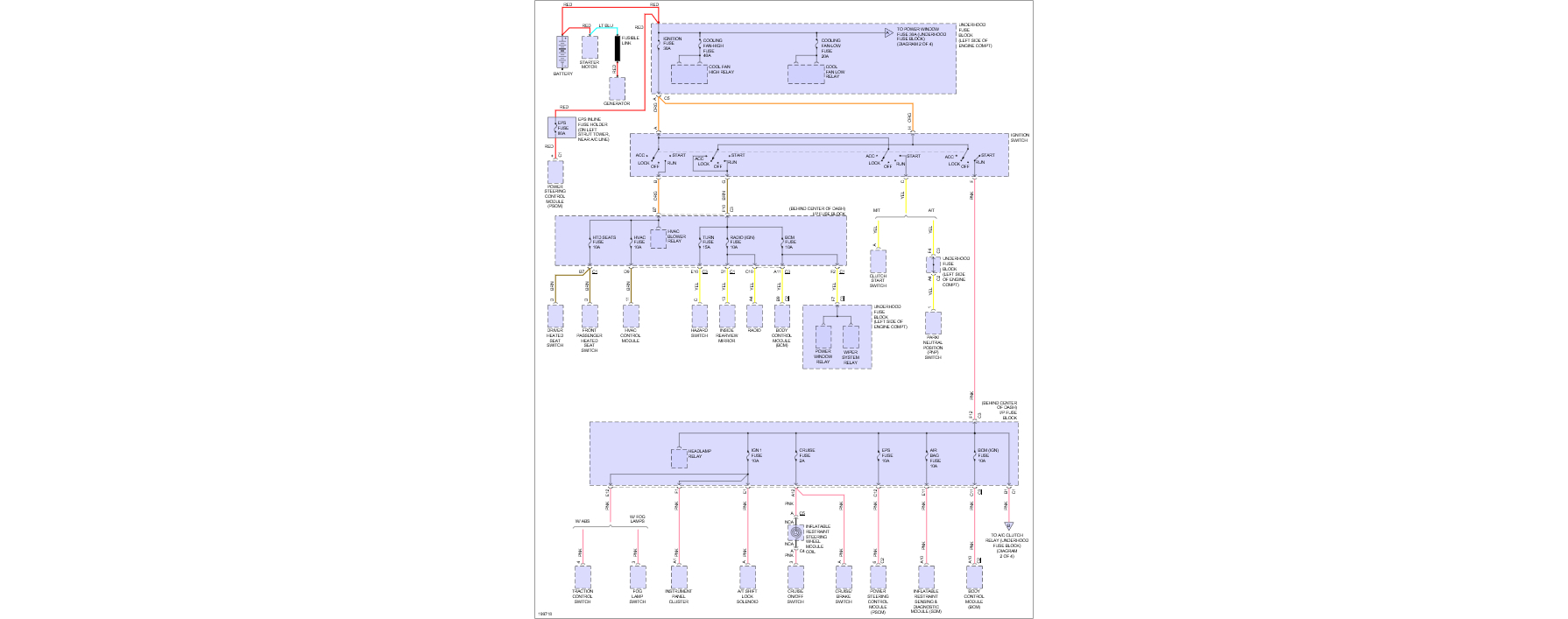
Does the fuse blow when you turn the key to run, acc or start any any combination of those positions?
There are quite a few fuses the ignition switch feeds, so instead of replacing the fuses so may times, I recommend either just removing all of these fuses then put them back in one at a time until the fuse blows, or just stick an ammeter into that fuse socket and get a reading then see pulling which fuse allows the ammeter to drop safely well below 30 amps and probably closer to 5 amps.
These are the fuses when the key is on acc, in the I/P fuse block, turn, radio and BCM and those also are hot with the key on run. then there is with the key on run, the htd seats, HVAC fuse and the HVAC relay, so remove the relay like you would remove a fuse.
Then also with the key on run, there are the in the I/P fuse block under the center of dash, a headlamp relay, ign1 fuse, cruise, eps, air bag and bcm (ign) fuse.
Then an A/C clutch relay, ignition injectors fuse, for lamp relay, back-up fuse, rear defog relay, abs fuse and power-train fuse.
Then with the key on start, there is the clutch start switch.
Images (Click to enlarge)
Feb 1, 2018 at 4:27 PM