Immobilizer wiring diagrams needed

2005 ACURA TL
250,000 MILES • 3.2L • V6 • 2WD • AUTOMATIC
Avatar
05ACURATL
  • MEMBER
  • 37 POSTS
I need the Immobilizer Circuit Diagram for the vehicle listed above. Thanks
Feb 10, 2021 at 8:19 PM
Advertisement
Avatar
KASEKENNY
  • CERTIFIED EXPERT
  • 18,907 POSTS
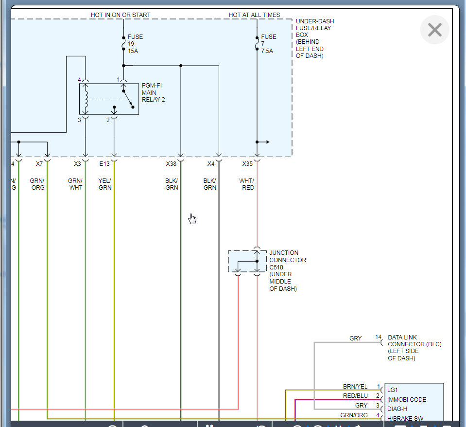
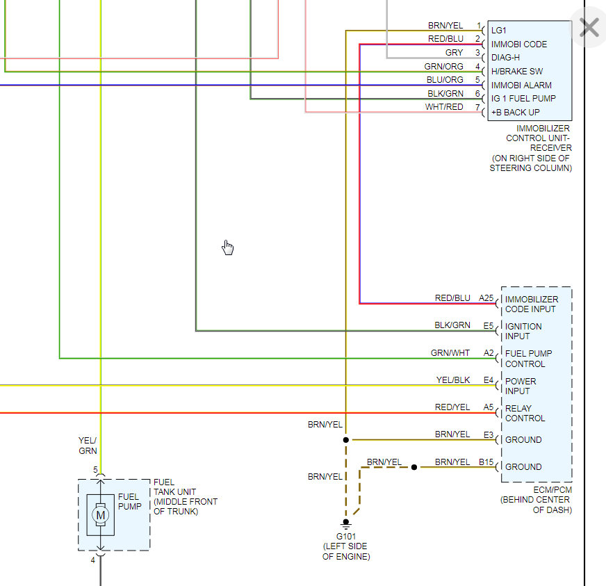
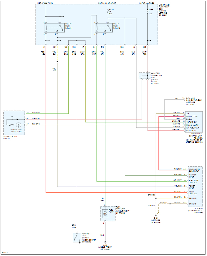
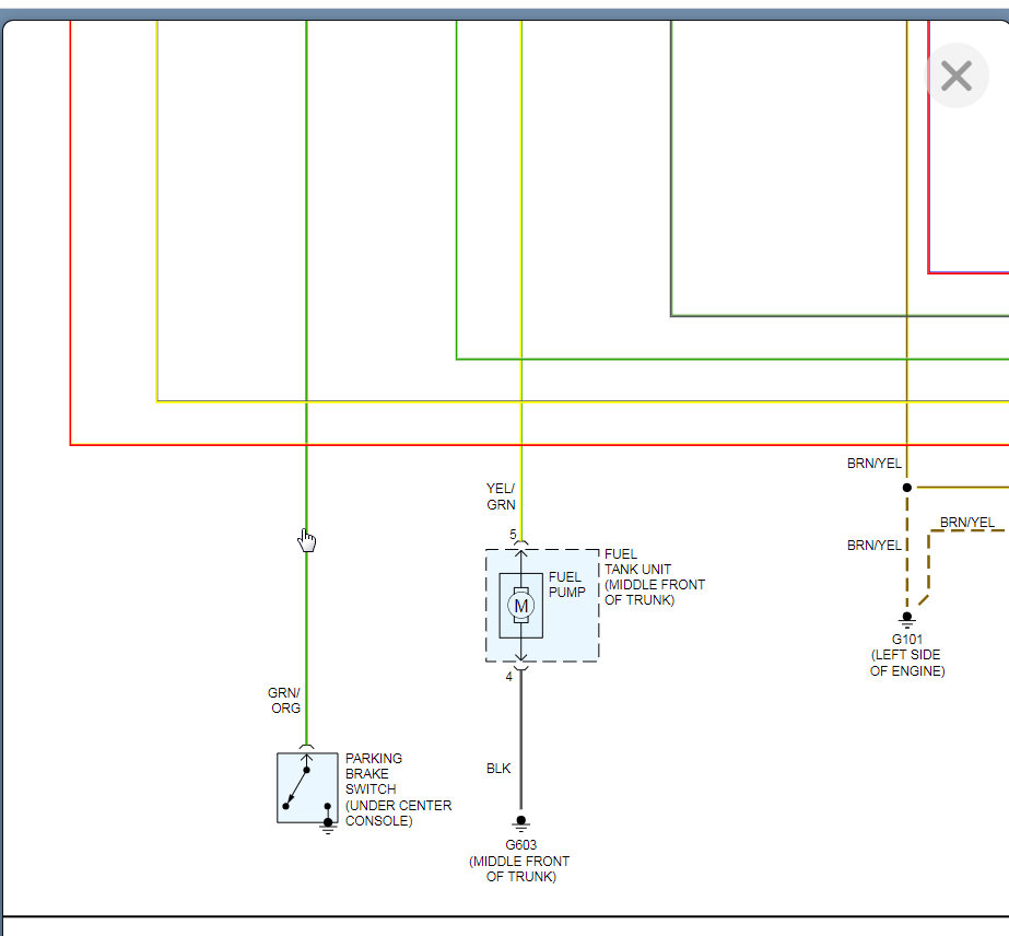
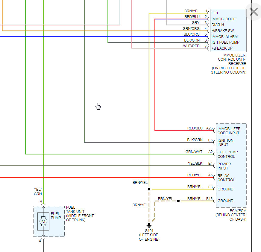
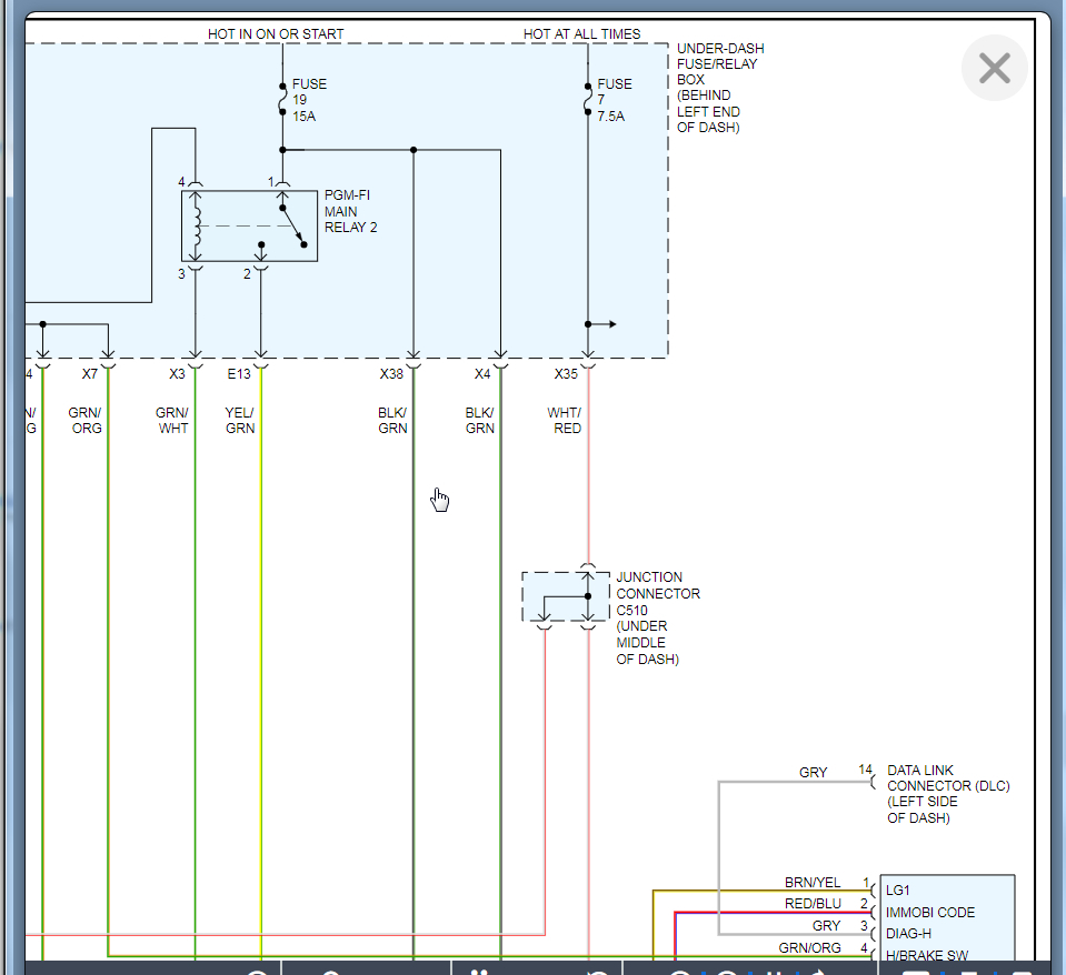
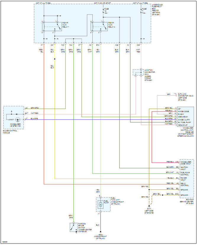
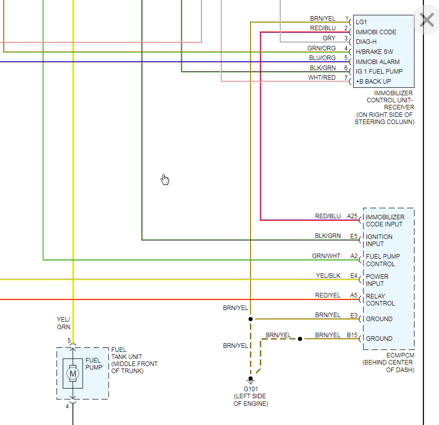
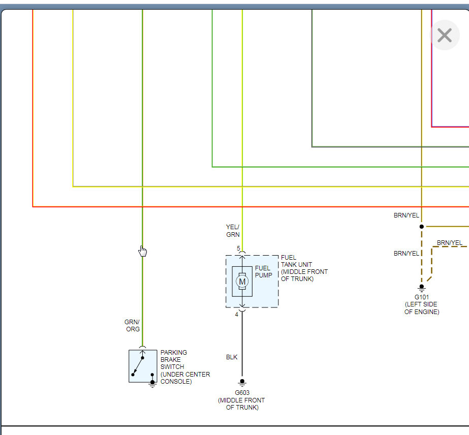
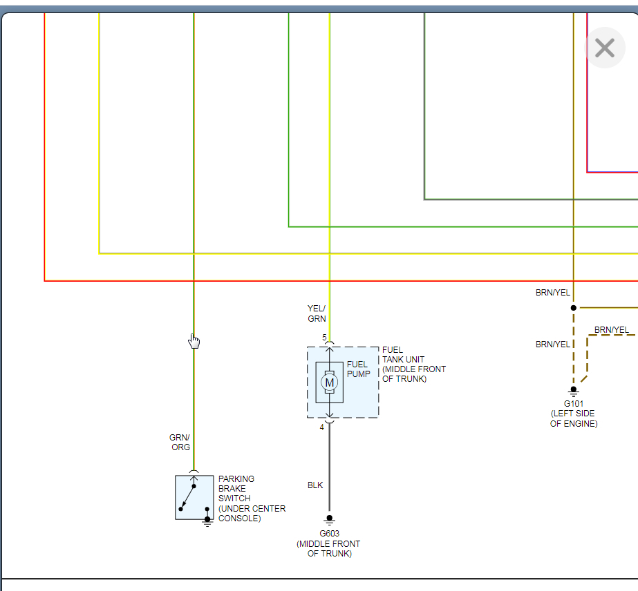
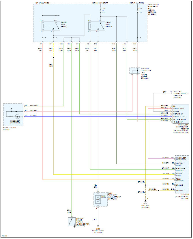
I am attaching the complete circuit diagram. Check out the diagrams (Below). Please let us know if you need anything else to get the problem fixed. Let me know if you need more info. Thanks
Feb 11, 2021 at 5:05 PM