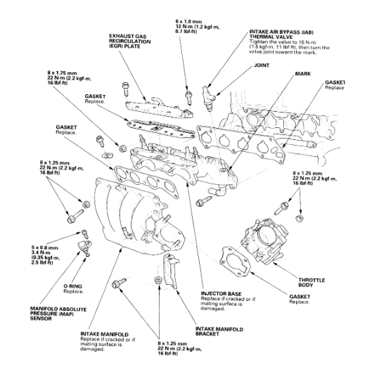
I am working the vehicle listed above Vtec. I am changing the thermostat and the thermostat housing. Also I removed the plenum for the intake to gain access to the thermostat housing. I would like the procedures from the shop manual to remove and replace the thermostat and it's housing along with torquing the intake back down. (2 bolts and 3 nuts I believe). I am also if there is anything to be careful about when putting the metal water bypass pipe back into the new plastic thermostat housing. Thanks. Any manual steps/ procedures to help me re install the thermostat and the thermostat housing along with the intake plenum would greatly help. Thanks in advance.
May 27, 2020 at 11:08 PM


































