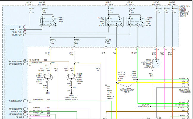
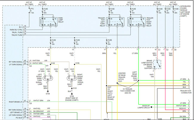
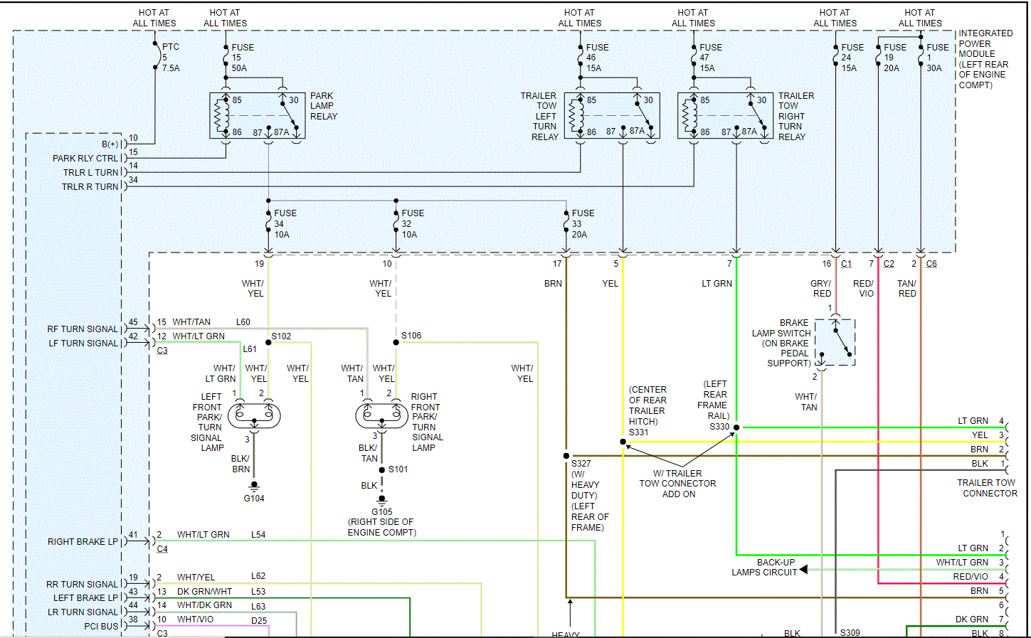
Truck listed above is a 1500 Laramie. Someone previous messed the harness...well they all worked until I change burned out bulbs and now I don't know. There is a spliced wire into one that went directly into bulb socket and there are repeat colour wires on each side so I'm at a loss when looking at wiring diagram....
Jun 14, 2021 at 8:54 PM



