Wiring diagrams needed?

2004 PONTIAC GRAND AM
190,000 MILES
Avatar
R$R
  • MEMBER
  • 14 POSTS
Could I please get the wiring diagrams for all components and grounds for my BCM. The car listed above is a GT model with a 3.4l.
Nov 8, 2024 at 4:12 PM
Advertisement
Avatar
JACOBANDNICKOLAS
  • CERTIFIED EXPERT
  • 110,175 POSTS
Hi,

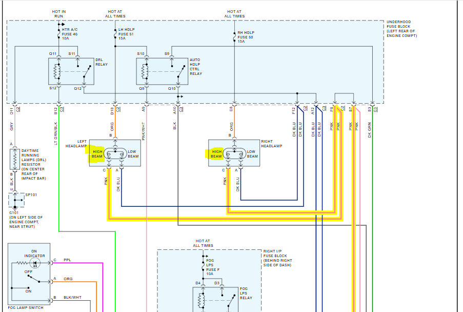
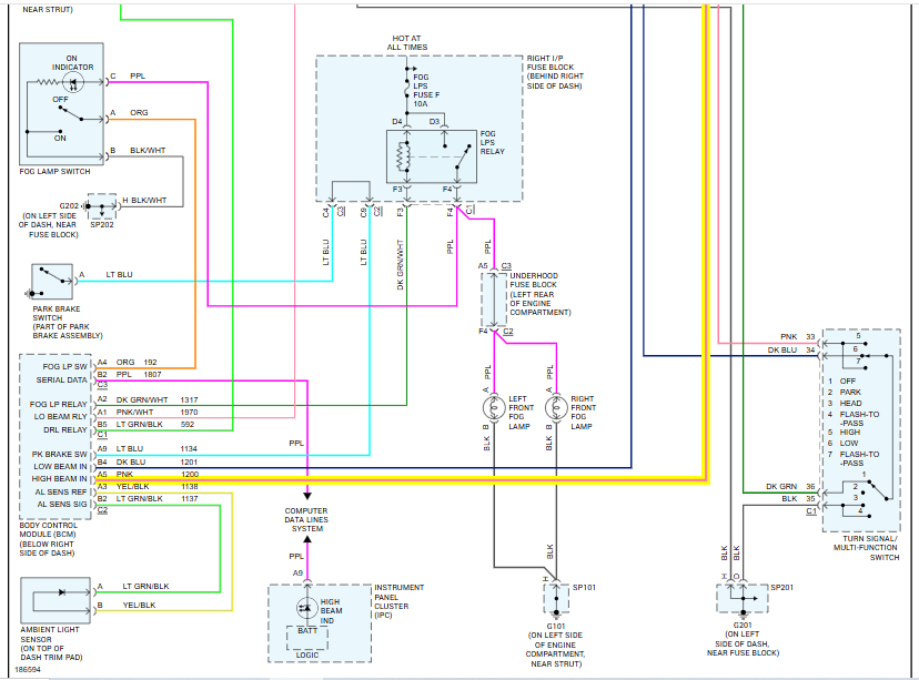
If you look below, I attached the wiring schematic. I had to cut the pic in two so you could read it.

As far as the grounds, there is one. (bottom right of pic 2) It is located on the left side of the dash near the fuse box.

Let me know if this helps or if you have other questions.

Take care,

joe

See pics below.
Nov 8, 2024 at 8:33 PM
Avatar
R$R
  • MEMBER
  • 14 POSTS
Well, I was more hoping to get a schematic of the headlight high beams, windshield wipers ect. So, the schematic going from the BCM to those components.
Nov 8, 2024 at 8:57 PM
Advertisement
Avatar
JACOBANDNICKOLAS
  • CERTIFIED EXPERT
  • 110,175 POSTS
Hi,

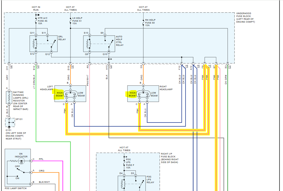
There isn't one schematic for all of that. I attached the schematics for both the headlamps and wipers.

Pics 1 and 2 below are of the wipers and pics 3 and 4 are of the headlamps. Take a look and let me know if that helps or if you need something different.

Take care,

Joe

See pics below.
Nov 9, 2024 at 4:47 PM
Avatar
R$R
  • MEMBER
  • 14 POSTS
I'm starting to think something got fried when the previous owner installed the radio. I know for sure they had it hooked up to one of the constants. not sure what one but, it keeps draining the battery they supposedly got it fixed properly. But when I got it i was told by Valvoline that my driverside headlight had to much voltage and its like the things stuck on hi beem and the ads system went so I replaced the wheelspeed sensors and the output speed sensor. it was working good for a bit. but right before it went in to some kinda limpmod. I noticed that when I'd take a left turn my windshield wipers would stall out for like 5-8 seconds then start back up. Also my over head lights turns off after a few seconds when the driverside door is opened but when any other door is open it stays on for some time or until the doors are closed. Plus I use my auto for my head lights and they stay on during the day. But yeah so out of no where my dash spedo drops, there's no trouble code lights but my transmission is jumping like it was having a hard time going so I parked for a month and got it towed to my place and test drove it and it's stuck in second gear... and there's still no codes I even put a code reader to it and tested the alternator and it's working as it should. So that's why I kinda leaning towards electrical.
Nov 10, 2024 at 2:00 AM
Avatar
JACOBANDNICKOLAS
  • CERTIFIED EXPERT
  • 110,175 POSTS
Hi,

The power loss for a short period sounds like a circuit breaker is clicking off and then when it cools, it starts working again.

The other issues have me confused. The idea that you have too much voltage is not likely unless the alternator is overcharging. Do me a favor. Follow the directions in this link so I know exactly what the alternator is producing. Based on all that you indicated, it sounds like the voltage regulator isn't properly working and the electrical system is being hit by too much voltage.

https://www.2carpros.com/articles/how-to-check-a-car-alternator

Let me know what you find,

Joe
Nov 10, 2024 at 7:12 PM
Avatar
R$R
  • MEMBER
  • 14 POSTS
I would if I could. Unfortunately, is fairly cold here and I waited too long in between starting it and the battery depleted. I'd jump it but I don't want to damage anymore circuits. So, I want to get a good idea of what to start looking at before getting a new battery. Also, I did notice a bit of a whining coming from the drive belt area, but I couldn't identify where exactly it was coming from. So it could be the alt but if you look at fig3-4 of the last set of schematics you sent me, you'll see the left headlight feeds the auto and the daytime running lamp leads back into the low beam and the ground for turn signal multi switch feeds back to the auto relay. I'm pretty sure the left would be the driver side headlight. So, if that grounded out somewhere wouldn't the left headlight be the only one to receive more volts? My original thought was that it had something to do with PCM but now it's looking like multiple components.
Nov 11, 2024 at 2:29 PM
Avatar
R$R
  • MEMBER
  • 14 POSTS
Because the passenger side is the only headlight consistently getting too much voltage with no pulsing.
Nov 11, 2024 at 2:48 PM
Avatar
JACOBANDNICKOLAS
  • CERTIFIED EXPERT
  • 110,175 POSTS
Hi,

In this situation, all I can tell you is there is no way for only one of the circuits to be getting more power. If the alternator is working properly and being regulated properly, the voltage being produced is what everything will get. There isn't a way that only that headlamp will get more.

With that, based on what they told you doesn't make sense to me. I have 45 years of experience in the industry and consider myself somewhat knowledgeable when it comes to electrical circuits. However, I've been wrong before and it will happen again, but what you were told makes no sense to me unless it was only very slightly different which could be a connection issue or excessive resistance in one of the wires/grounds. That, in theory, could lessen the voltage but won't increase it.

By any chance, do you know the voltages that were found?

Joe
Nov 11, 2024 at 5:21 PM
Avatar
R$R
  • MEMBER
  • 14 POSTS
I definitely appreciate the input. I haven't work on many vehicle circuits. I honestly can't recall what the voltage was but as soon as I get a battery in there I'll let you know.
Nov 11, 2024 at 5:49 PM
Avatar
JACOBANDNICKOLAS
  • CERTIFIED EXPERT
  • 110,175 POSTS
Hi,

You are very welcome. I'm just not sure what they found and don't want to mislead you. I respect the idea that you want to learn. That says a lot about you. Never stop.

Let me know what you find. I'm interested in knowing.

Take care,

Joe
Nov 11, 2024 at 7:36 PM