Loss of power?

2003 SUBARU LEGACY
175,000 MILES • 2.0L • 4 CYL • TURBO • 4WD • AUTOMATIC
Avatar
SHAUN DAWICK
  • MEMBER
  • 2 POSTS
The car listed above is a GT model. Over the last month when driving, the car will randomly lose power, then power will come back after a few seconds, or will lose power and turn off completely. Requiring approx. 5-minute wait before it will turn on again successfully. Sometimes turning the car off while the engine is warm it will not start, again having to wait approx. 5-minute before it will start. I have had codes checked this week and nothing new is present. Only codes visible are historical, 1 from battery disconnect, 1 from faulty o2 sensor which has been faulty since 4 years of owning the car but never caused an issue.

I was trying to recreate the issue while driving the other night, dropped down to 2nd gear and put my foot down. At around 3-4k rpm the car would stutter and no produce full power.
Jun 15, 2023 at 6:22 PM
Advertisement
Avatar
STRAILER
  • CERTIFIED EXPERT
  • 53,855 POSTS
This sounds like a classic fuel pump failure, but to be sure when the engine is acting up, we need to check the fuel pressure. here is a guide to help and you can rent a fuel pressure gauge from the local auto parts store for cheap or free in most cases. Also, I would try to replace the fuel filter if it is clogged it can overheat the fuel pump.

https://www.2carpros.com/articles/how-to-check-fuel-system-pressure-and-regulator

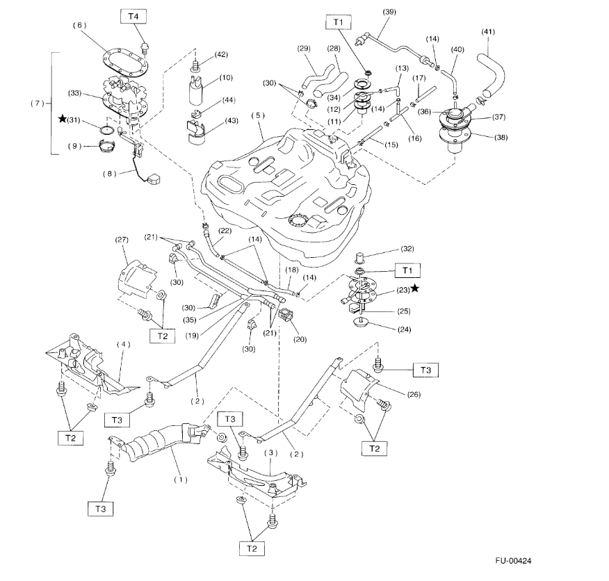
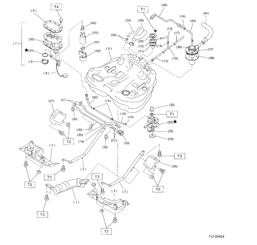
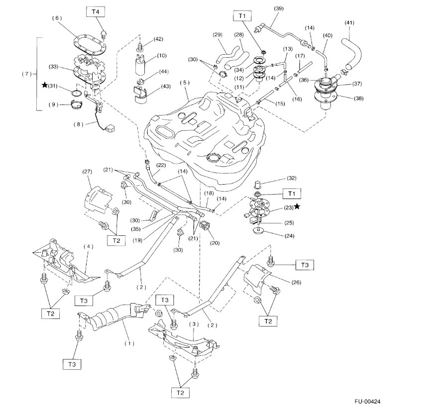
Fuel Pump
Shutoff Discharge Pressure .................... 370-677 kPa (3.77-6.9 kg/cm2, 56.6-98 psi)

Discharge Flow Pressure
More than 65 L .................... (17.2 US gal, 14.3 Imp gal)
12V at 300 kPa .................... (3.06 kg/cm2, 43.5 psi)

Here is how to replace the fuel filter and pump in case you need it. Check out the images (below). Please let us know what happens.
Jun 16, 2023 at 10:09 AM
Avatar
SHAUN DAWICK
  • MEMBER
  • 2 POSTS
Thanks for your response, Ken. Will either find a tester to borrow or take the car to the mechanics for them to test.

Is it possible for the fuel pump to start becoming faulty and not be completely broken? Notice the issue is most common once the car has warmed up. Although sometimes I will be able to drive for 15min and have no issue at all. Other times I'll have multiple issues in a 15min drive.
Jun 16, 2023 at 2:58 PM
Advertisement
Avatar
STRAILER
  • CERTIFIED EXPERT
  • 53,855 POSTS
Yes, the pump can overheat and start malfunctioning. This is common, let me know what you find.
Jun 17, 2023 at 9:37 AM