Oxygen sensors wiring diagram

1998 DODGE DURANGO
153,000 MILES • 5.2L • V8 • 4WD • AUTOMATIC
Avatar
JPUTNAM
  • MEMBER
  • 28 POSTS
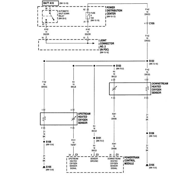
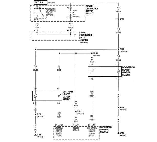
I am replacing my upstream 02 sensor and the plug that goes up into the frame broke off and there is not any room to splice another end on it. I cannot find where it goes to try and pull it back where I can get some room to splice it. Cannot find a 02 sensor wiring diagram.
Sep 23, 2018 at 3:19 PM
Advertisement
Avatar
ASEMASTER6371
  • CERTIFIED EXPERT
  • 52,796 POSTS
Good evening.

I attached the diagram for you to view. I also attached the connector diagram as well. Check out the diagrams (Below). Please let us know if you need anything else to get the problem fixed.

Roy
Sep 23, 2018 at 5:29 PM
Avatar
RICONYX
  • MEMBER
  • 1 POST
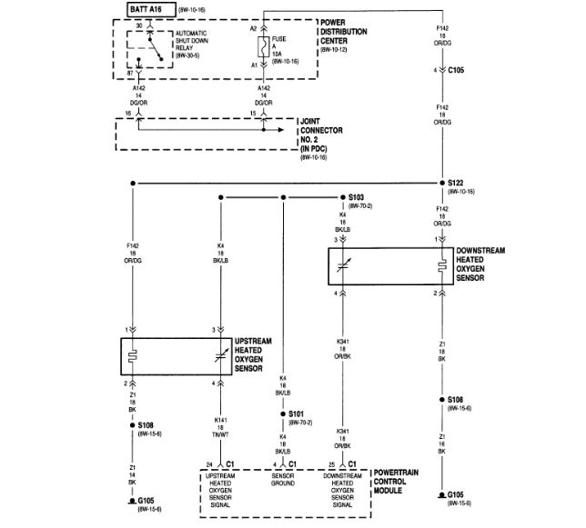
2007 Dodge Nitro SLT. trying to replace the upstream oxygen sensor passenger side. all wires from the computer came off the plug, we got new connector from the dealer but all wires from the computer are the same color (BK) how can do we to identify and place the wires in the right position in the connector? please
Nov 6, 2020 at 5:17 PM
Advertisement
Avatar
ASEMASTER6371
  • CERTIFIED EXPERT
  • 52,796 POSTS
Good evening,

The second diagram I attached to the prior answer shows the harness side which identifies the terminal number and wire colors for the connector.

Roy
Nov 6, 2020 at 5:36 PM