02 sensors

1989 LINCOLN TOWN CAR
604,645 MILES • 0.5L • AUTOMATIC
Avatar
LILJJ89BABY
  • MEMBER
  • 4 POSTS
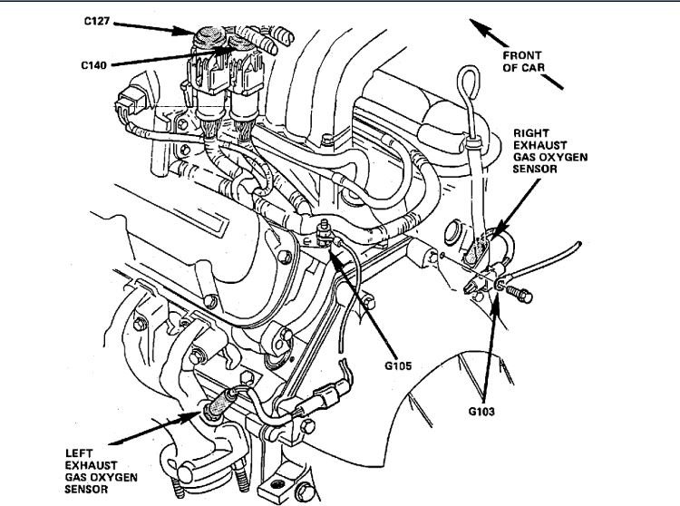
How many sensors does the car listed above have upstream or downstream?
Jul 15, 2019 at 11:50 AM
Advertisement
Avatar
ASEMASTER6371
  • CERTIFIED EXPERT
  • 52,796 POSTS
Good afternoon,

You have four sensors. Two upstream and two downstream. The downstream are at the catalytic converters.

Roy
Jul 15, 2019 at 1:10 PM
Avatar
LILJJ89BABY
  • MEMBER
  • 4 POSTS
Thanks you. do I use universal one for down stream? because advanced America I looked everywhere and I only have upstream.
Jul 15, 2019 at 4:44 PM
Advertisement
Avatar
ASEMASTER6371
  • CERTIFIED EXPERT
  • 52,796 POSTS
No to universal.

Rockauto.com. they have the correct sensor for the left and right side. They range in price from $19.00 to $29.00.

Roy
Jul 15, 2019 at 4:53 PM
Avatar
LILJJ89BABY
  • MEMBER
  • 4 POSTS
Okay, I’m going to check. thanks again
Jul 15, 2019 at 4:55 PM
Avatar
ASEMASTER6371
  • CERTIFIED EXPERT
  • 52,796 POSTS
You are welcome.

Always glad to help.

Roy
Jul 15, 2019 at 4:58 PM